昌暉YR-GFER系列電能質量分析儀采用新進的集成電路及數字采樣技術,對三相電氣線路中的交流電流/電壓、有功功率、無功功率、視在功率、功率因數、工頻周波、諧波、有功電能、無功電能、四象限電能、波峰系數及不平衡度等進行實時測量顯示與在線分析。分析儀采用3.5英寸320×240點陣TFT高亮度彩色圖形液晶顯示,LED背光,畫面清晰、視角寬。本機具有模擬量輸出、通訊輸出及累積脈沖輸出功能,支持RS232/485通訊接口,以太網接口,微型打印機接口和USB接口,Micro SD卡,支持干接點數字信號輸入,功能強大,性價比高。產品廣泛應用于分布式電力監控系統、變電站綜合自動化系統、無人值守變電站、低壓智能配電系統、智能型開關柜/配電盤、智能型箱變及樓宇自動化系統的數據采集。

電能質量分析儀技術參數
1、電能質量分析儀測量參數
◆電壓:測量范圍為0.0-500.0V/AC;測量誤差為±0.2%F.S;分辨力為0.1V
◆電流:測量范圍為0.01-5A/AC;測量誤差為±0.2%F.S;分辨力為0.001A
◆有功功率:測量范圍為U×I×COSΦ;PF=1.0時測量誤差為±0.5%F.S;分辨力為0.1W
◆有功電能:測量范圍為99999.99MWh;PF=1.0時測量誤差為±0.5%F.S;分辨力為0.01kWh
◆無功功率:測量范圍為U×I×SINΦ;PF=0.0時測量誤差為±0.5%F.S;分辨力為0.1W
◆無功電能:測量范圍為99999.99MVarh;PF=0.0時測量誤差為±0.5%F.S;分辨力為0.01KVarh
◆視在功率:測量范圍為U×I;測量誤差為±0.5%F.S;分辨力為0.1VA
◆功率因數:測量范圍為-1.000~1.000;測量誤差為±0.05%F.S;分辨力為0.001
◆工頻周波:測量范圍為45-65Hz(50-500V);測量誤差為±0.05Hz;分辨力為0.01Hz
◆諧波:2-31次

2、電壓輸入:輸入范圍為0.0-500.0VAC,輸入阻抗500KΩ
3、電流輸入:輸入范圍為0.01-5AAC,輸入阻抗<0.1Ω
4、模擬量輸出:4-20mA、0-20mA、0-10mA、1-5V、0-5V
5、報警輸出:繼電器控制輸出-AC220V/2A、DC24V/2A(阻性負載)
6、通訊輸出:RS485/RS232通訊接口,波特率4800-38400bps可設置,采用標準MODBUS RTU通訊協議,RS485通訊距離可達1公里;RS232通訊距離可達:15米;EtherNet通訊接口,通訊速率10M/100M自適應。
7、累積脈沖輸出:可選擇總有功電能、總無功電能、總視在電能的累積脈沖輸出,輸出為OC門
8、數據備份:支持U盤和SD卡進行數據備份與轉存,容量為4~32GB
9、接線端子:額定電流為5A,額定電壓為500V
10、使用環境:環境溫度-10~60℃;相對濕度≤85%RH;避免強腐蝕氣體
11、工作電源:AC100-240V(開關電源),50/60Hz;DC20-29V(開關電源)
12、功耗:≤8W
13、電能質量分析記錄儀帶有USB和SD卡接口,可用U盤和SD卡轉存數據;使用昌暉儀表提供的電能質量分析儀YR-EDM數據分析軟件可實現以下功能:

①歷史曲線瀏覽、打印功能;
②歷史數據瀏覽、打印功能;
③歷史數據的Excel輸出功能;
④數據統計功能;
⑤歷史曲線的縮放、復制功能(可粘貼于圖形編輯程序);
⑥數據列表的篩選、復制功能(可粘貼于Excel或任意文本編輯器);
⑦累積報表瀏覽、復制功能;
14、外形尺寸:電能質量分析儀有96×96mm和120×120mm兩種外形尺寸

電能質量分析儀液晶顯示畫面

◆電力參數畫面


①可切換顯示
相電壓、線電壓、電流、有功功率、無功功率、視在功率、功率因素頻率;
瞬時值、最大值、最小值、需量、最大需量、最小需量;
②符號名稱A相、B相、C相、AB相、BC相、CA相、Avr平均量、∑總量、F頻率
單位:V(伏)、A(安)、W(瓦)、Var(乏)、Hz(赫茲);
時間戳:記錄最大值、最小值的時間,顯示:年-月-日、時:分:秒;
③通過按鍵可清除最大值。
◆諧波參數畫面




①顯示電壓、電流的諧波含有率并以柱形圖顯示,還可以顯示諧波瞬時值、最大值及最大值時間;
②基波矢量圖直觀的表現基波的不平衡度;
③顯示諧波波形運行狀態:運行(RUN)、停止(STOP)。
◆電網質量畫面


①可切換顯示:
電壓THD(電壓總諧波失真)、電流THD(電流總諧波失真)、電壓波峰系數、電流波峰系數、不平衡度
最大值、瞬時值
②符號名稱:A相、B相、C相、電壓(U)不平衡度、電流(I)不平衡度;
時間戳:記錄最大值的時間,顯示:年-月-日、時:分:秒;
◆費率電度畫面


①可切換顯示總有功電能、總無功電能、總視在電能,四象電能,本月電能、上月電能、上上月電能、歷史電能;
②可查看總費率、尖費率、峰費率、平費率、谷費率的電費和總電費;
③可查詢任意時間段的總歷史電能。
◆電量記錄畫面


①可切換顯示實時曲線、歷史曲線;
曲線內容可選:UA/UB/UC、Uavr、UAB/UBC/UCA、UVavr、IA/IB/IC、Iavr、TP、TQ、TS、COS、FR、ThdUa、ThdUb、ThdUc、ThdIa、ThdIb、ThdIc、KbfUa、KbfUb、KbfUc、KbfIa、KbfIb、KbfIc、UnbU、UnbI;
②可手動設置時間選擇曲線打印。
◆文件管理畫面


①電能質量分析記錄儀會自動將記錄的所有數據備份到本地文件中,也可以使用U盤或SD卡對內部的記錄數據進行備份和轉存;
②數據分析軟件YR-EDM可以對U盤/SD卡備份的數據進行采集轉存、分析與打印。
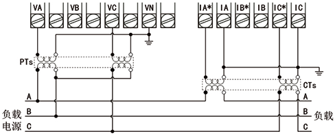
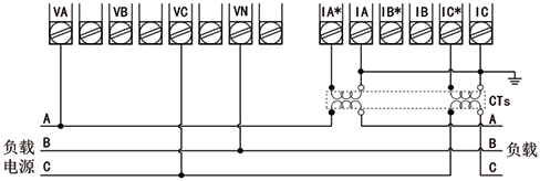
電能質量分析儀接線圖
◆96×96mm外形尺寸電能質量分析儀接線圖


◆120×120mm外形尺寸電能質量分析儀接線圖


1、三相三線系統,采用無PT,無CT方式的電能質量分析儀接線圖(適用于3P3L)

2、三相三線系統,采用2PT,2CT方式的電能質量分析儀接線圖(適用于3P3L)

3、三相三線系統,采用無PT,2CT方式的電能質量分析儀接線圖(適用于3P3L)

電能質量分析儀/電能質量分析記錄儀選型表
YR-GFER①②-③/④⑤/⑥/⑦-⑧-⑨/⑩/?-?
①儀表外形(高×寬×深)
[2]:120×120×115mm/開孔尺寸:105×105mm
[9]:96×96×115mm/開孔尺寸:92×92mm
②記錄功能
[省略]:無記錄功能
[R]:帶記錄功能
③通訊
[0]:無通信,默認
[2]:RS232通信
[3]:打印口
[8]:RS485通信
④變送輸出
[0]:無輸出,默認
[2]:變送輸出為4-20mA(RL≤600Ω)
[3]:變送輸出為0-10mA(RL≤1.2kΩ)
[4]:變送輸出為1-5V(RL≥250kΩ)
[5]:變送輸出為0-5V(RL≥250kΩ)
[8]:變送輸出為0-20mA(RL≤600Ω)
⑤變送輸出路數
[0]:無變送輸出時必選項,默認
[2]:2路變送輸出
[4]:4路變送輸出(儀表外形為96×96的不能選此項)
⑥報警輸出
[0]:無報警輸出,默認
[1]:2限報警輸出
⑦累積脈沖輸出
[N]:無累積脈沖輸出,默認
[P1]:1路累積脈沖輸出
[P2]:2路累積脈沖輸出
⑧外部事件輸入
[N]:無外部事件輸入,默認
[Y2]:2路干接點數字信號輸入
[Y4]:4路干接點數字信號輸入
⑨電能質量分析記錄儀USB接口
[N]:無USB接口(電能質量分析儀必選項)
[USB]:帶USB接口(電能質量分析儀不能選此項,記錄儀必選項)
⑩電能質量分析記錄儀SD接口
[N]:無SD接口(電能質量分析儀必選項)
[SD]:帶SD接口(電能質量分析儀不能選此項,記錄儀必選項)
?以太網通訊口
[N]:無以太網口,默認
[E]:帶以太網通訊
?儀表電源
[T]:AC/DC100~240V,默認
[W]:DC24V
選型舉例
YR-GFER9R-8/22/1/P2-N-USB/SD/N-T
