YR-GFB無功補償控制器帶有RS485/RS232通訊接口,將采集到的電壓、電流、頻率、有功功率、無功功率、電壓畸變率、功率因數、溫度等參數傳送給其他設備。具有過電壓、欠電壓、欠流、斷相、電壓過畸變、溫度保護等功能。產品執行標準:JB/T9663-2013《低壓無功功率自動補償控制器》。

低壓無功功率自動補償控制器特點
◆6種混合(共補+分補)補償方案
◆12種電容器阻容量編碼方式
◆16路補償投切控制輸出
◆自動/手動/遠程補償投切
◆柜體溫度監測功能
◆報警輸出功能
◆控制精度高
◆基波功率因素
◆基波無功功率
◆多種電參量測量切換顯示

低壓無功功率自動補償控制器技術指標
◆輔助電源:
①電源電壓:AC220V、AC380V,允許波動±10%;
②電源頻率:50Hz、60Hz;
③總功耗:小于8VA
◆信號輸入:
①交流電壓:額定220V(相電壓)或380V(相電壓)
②交流電流:額定值5A
③過載:電壓1.2倍連續,2倍持續30s;電流1.2倍連續,10倍持續5s
④交流頻率:45-65Hz
⑤測溫熱電阻:Pt100
◆精確度等級:電流0.5級;電壓0.5級;功率因素0.5級;有功功率1級;無功功率1.5級;溫度3級
◆被測功率因素對應相位角:±180度
◆通訊:RS485或RS232
◆控制輸出:8路或16路開關量輸出,繼電器容量AC250V/1A、DC30/1A
◆報警輸出:1路報警,繼電器容量AC250V/2A、DC30/2A
◆絕緣電阻:≥100MΩ
◆工頻耐壓:輔助電源和各輸入線路端子組之間,試驗電壓為交流2.5kV/1min 50Hz
◆環境條件:工作溫度-10~50℃;貯存溫度-10~60℃,;濕度25%-85%,不結露
◆安裝方式:標準卡入式

昌暉低壓無功功率自動補償控制器選型表
YR-GFB①-②③-④-⑤-⑥
①無功功率自動補償控制器外形尺寸
[S]:120×120×115mm(開孔尺寸105×105mm)
②無功功率自動補償控制器通選方式
[0]:無通訊
[2]:RS232(MOBUS RTU協議)
[8]:RS485(MOBUS RTU協議)
③控制輸出
[08]:8路控制輸出
[16]:16路控制輸出
④報警輸出
[N]:無報警輸出
[1]:1限報警
⑤柜體溫度監控
[N]:無溫度監控
[T]:柜體溫度監控(儀表不含測溫Pt100熱電阻)
⑥無功功率自動補償控制器供電電源
[T1]:AC220V
[T2]:AC380V
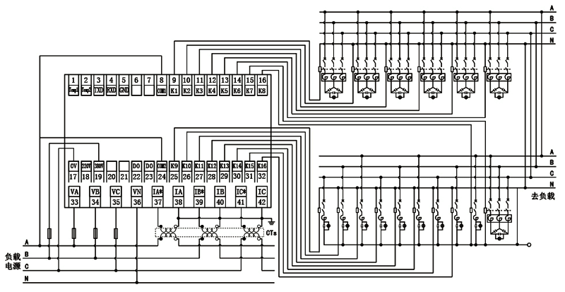
低壓無功功率自動補償控制器接線圖
①無功功率自動補償控制器端子位置圖

電氣符號說明

②低壓無功功率自動補償控制器接線圖

