昌暉交流三相電壓表同時測量顯示與控制高低壓配電系統0-500V范圍的電壓。交流三相電壓表采用大規模集成電路和高亮度長壽命的LED顯示器,應用數字采樣技術、工業級元器件,所有與外界的連接都做了電氣隔離,內置抗雷擊保護電路和電源濾波器??煽康亩俗虞斎?,具備高耐壓和過流等級的特點。專業的EMC設計,對裝置輸入電源、模擬和數字電源進行實時的監測,保證了其運行的可靠性??茖W的自診斷功能,可通過顯示代碼表明產品的故障。產品廣泛應用于分布式電力監控系統、變電站綜合自動化系統、無人值守變電站、低壓智能配電系統、智能型開關柜/配電盤、智能型箱變及樓宇自動化系統的數據采集。

交流三相符電壓表主要技術參數
電壓測量范圍:0.0-500.0V,500V以上由電壓互感器轉換為0-100V電壓輸入
輸入阻抗:2MΩ
測量誤差:±0.2%FS
分辨力:0.1V
過載:持續120%;瞬時2倍/30s
模擬量輸出:4-20mA、0-20mA、0-10mA、1-5V、0-5V
通訊輸出:RS485,MODBU RTU
報警輸出:繼電器控制輸出(觸點容量:AC220V/2A,DC24V/2A)
使用環境:環境溫度0-50℃;相對濕度≤85%RH;避免腐蝕性氣體
工作電源AC/DC100-240V,50/60Hz;DC20-29V(開關電源)
功耗:≤6W
結構:標準卡入式
四種外形尺寸:160×80×142mm、96×96×85mm、80×80×115mm、120×120×115mm

交流三相電壓表接線圖




儀表輸入方式接線說明
1、三相三線系統,采用無PT方式的接線圖

2、三相四線制系統,采用無PT方式的接線圖

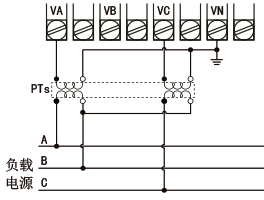
3、三相三線系統,采用2PT方式的接線圖

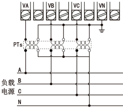
4、三相四線制系統,采用3PT方式的接線圖

注意事項
a、建議用戶在外接PT時,在三相電壓表和PT之間采用接線端子排連接,以方便儀表的拆卸。
b、用戶需根據所采用的PT不同選擇額定電流合適的保險絲。
c、為保證測量數據的準確度,必須正確接入電壓測試信號。當被測試電壓小于交流三相電壓表電壓量程,可以直接接入;否則,必須經電壓互感器PT接入。
d、接入互感器的精度能夠影響交流三相電壓表測試數據的準確度?;ジ衅鞔渭壿敵鰬B接較粗、較短的低阻抗導線,減少干擾影響?;ジ衅骺赡墚a生信號角差的偏移,對測試數據的準確度有影響。

交流三相電壓表選型表
YR-GF①-②③④⑤-⑥⑦-⑧-⑨
①功能代碼
[U]:多功能電壓測量儀表
②外形尺寸
[2]:外形尺寸:120×120×115mm(高×寬×深)/開孔尺寸:105×105mm(高×寬)
[3]:外形尺寸:80×80×115mm(高×寬×深)/開孔尺寸:76×76mm(高×寬)
[9]:外形尺寸:96×96×85mm(高×寬×深)/開孔尺寸:92×92mm(高×寬)
[B]:外形尺寸:160×80×142mm(高×寬×深)/開孔尺寸:152×76mm(高×寬)
③產品設計序號
[K]:功能增強型(可以增加附加功能)
④:參數顯示個數
[3]:3個參數顯示
[3Y]:液晶屏3個參數顯示
⑤擴展功能(儀表通訊和變送輸出可同時存在)
[N]:無擴展功能
[C]:RS485通訊
[1M]:120×120mm外形為3路4-20mA變送輸出(RL≤500Ω);其他外形為1路4-20mA變送輸出
[2M]:120×120mm外形為3路0-10mA變送輸出(RL≤1000Ω);其他外形為1路0-10mA變送輸出
[3M]:120×120mm外形為3路0-20mA變送輸出(RL≤500Ω);其他外形為1路0-20mA變送輸出
[1V]:120×120mm外形為3路1-5V變送輸出(RL≥250kΩ);其他外形為1路1-5V變送輸出
[2V]:120×120mm外形為3路0-5V變送輸出(RL≥250kΩ);其他外形為1路0-5V變送輸出
[1X]:120×120mm外形為3路其他(用戶指定輸出);其他外形為1路其他(用戶指定輸出)
⑥電壓輸入信號類型
[1]:0-100V電壓輸入
[2]:0-500V電壓輸入
⑦電流輸入信號類型
[N]:無電流輸入
⑧報警
[N]:無報警
[2]:2限報警
⑨儀表供電電源
[W]:DC20-29V
[T]:DC/AC100-240V
選型舉例
