現場儀表接地連接方法
1、對于現場儀表電纜槽、儀表電纜保護管以及36V以上的儀表外殼的保護接地,應每隔30m用接地連接線與就近已接地的金屬構件相聯,并應保證其接地的可靠性及電氣的連續性。不得利用 儲存、輸送可燃性介質的金屬設備、管道以及與之相關的金屬構件進行接地。
條文說明:為了保證電纜槽(架)及儀表電纜保護管電氣的連續性,在它們的交接處宜采用跨接線連接。在接地連線和跨接線的金屬連接面宜涂導電膏。
2、現場儀表的工作接地一般應在控制室側接地(見圖1)。
條文說明:每一個儀表信號回路應只有一個接地點。

圖1 信號回路在集中安裝儀表側接地時的工作接地方法
3、對于要求或需要在現場接地的現場儀表,應在現場側接地(見圖2)。
條文說明:接地型熱電偶、pH計及電磁流量計等儀表只能在現場接地。

圖2 信號回路在現場儀表側接地時的工作接地方法
4、現場儀表要求或需要在現場接地,同時又要將控制室接受儀表在控制室側撞地的,應將兩個接地點作電氣隔離(見圖3)。

圖3 信號回路在集中安裝儀表和現場儀表兩側罔時接地時的工作接地方法
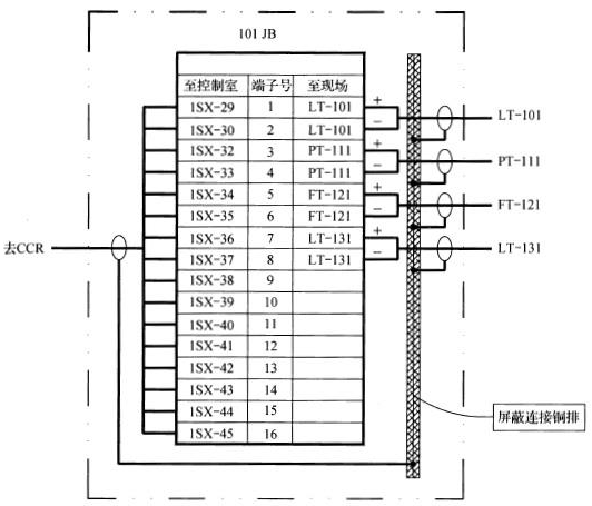
5、現場儀表接線箱兩側的電纜的屏蔽層應在箱內跨接。現場儀表接線箱內的多芯電纜備用芯宜在箱內做端子連接(見圖4)。
圖4 現場接線箱兩側的電纜的屏蔽層連接舉例
現場總線儀表電纜屏蔽接地連接方法
1、現場總線儀表系統的信號是以數字通信方式傳輸,總線信號電纜屏蔽層的接地與模擬信號電纜有所不同,總線電纜屏蔽層的兩端都宜做接地連接(見圖5)。
條文說明:現場總線儀表信號是數字傳輸,易受到電磁場的影響,因此在總線線纜的屏蔽層的兩端接地,通過屏蔽層建立一個理想的法拉第籠,以避免通信信號受到外界電磁場的干擾。
圖5 現場總統系統帶屏蔽,屏蔽層在控制室與現場兩端接地
2、在不能確定控制室與現場之間有良好的等電位接地系統時,宜在總線信號電纜屏蔽層的現場端直接將屏蔽層接地,而電纜屏蔽層的另一端通過電容與接地系統連接。在有爆炸性危險場所時,電纜屏蔽層的電容連接接地端應設置在非爆炸性安全場所(見圖6)。
條文說明: 由于電容對直流(DC)和低頻交流(AC)的隔離作用,電容性接地可防止循環地電流。對高頻導通,從而對電磁干擾構筑起一個密閉屏蔽網絡(法拉第籠)。
屏蔽電容的規格是:固態電介質,電容C≤10nF,試驗電壓V≥1500V。

圖6 現場總線系統屏蔽層在控制室電容式接地與現場直接接地
3、所有現場總線儀表的金屬外殼應與等電位接地系統連接。
4、系統之間數字通信電纜屏蔽的接地連接。宜在通信電纜屏蔽層的一端使用電容與接地系統連接,另一端直接接地,電纜屏蔽層電容連接接地端應設置在非爆炸性安全場所(見圖7)。
條文說明:當使用鎧裝屏蔽型電纜,鎧裝層兩端接地,最內層屏蔽一端接地。

圖7 等電位連接控制系統之間的通訊電纜屏蔽接地
控制室/現場機柜室儀表接地連接方法
1、控制室/現場機柜室(集中)安裝儀表的自控設備(儀表柜、臺、盤、架、箱)內應分類設置保護接地匯流排、信號及屏蔽接地匯流排和本安接地匯流排。應符合下列要求:
a、各儀表設備的保護接地端子和信號及屏蔽接地端子通過各自的接地連線分別接至保護接地匯流排和工作接地匯流排。
b、各類接地匯流排經各自的接地分干線分別接至保護接地匯總板和工作接地匯總板。
c、齊納式安全柵的每個匯流條(安裝軌道)可分別用兩根接地分干線接到本安工作接地匯總板。也可由接地分干線于兩端分別串接,再分別接至工作接地匯總板(見圖8)。
條文說明:齊納安全柵采用兩根接地分干線,既可提高接地的可靠性,又可斷開一根測得接地連接電阻。

圖8 控制室(集中)安裝儀表的自控設備內部接地連接圖
2、保護接地匯總板和工作接地匯總板應經過各自的接地干線接到總接地極(見圖11)。
圖9 應使用接地總干線連接總接地板和接地極
推薦閱讀
◆無源信號、有源信號、無源接點和有源接點的區別
◆深度理解輸入阻抗及輸出阻抗,輕松解決儀表阻抗匹配問題
