1、電氣原理圖
電氣原理圖是用電氣符號、按工作順序排畫的。詳細表示了電路中電氣元件、設備、線路的組成以及電路的工件原理和連接關系。而不考慮電氣元件、設備的實際位置和尺寸的一種簡圖。其作用是便于詳細理解電路原理、分析和計算電路特性。

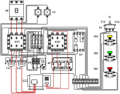
2、電氣安裝接線圖
電氣安裝接線圖是根據電氣設備和電器元件的實際位置和安裝情況繪制的,只用來表示電氣設備和電器元件的位置、配線方式和接線方式,而不明顯表示電氣動作原理。主要用于安裝接線、線路的檢查維修和故障處理的指導。

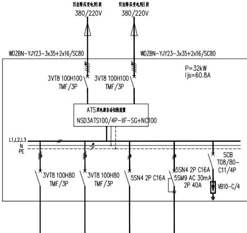
3、電氣系統圖
電氣系統圖即電氣系統控制圖。是用來表明供電線路與各設備工作原理及其作用,相互間關系的一種表達方式。

4、方框圖
方框圖表示電路、程序、工藝流程等內在聯系的圖形。方框內表示各獨立部分的性能、作用等,方框之間用線連接起來,表示各部分之間的相互關系。

相關閱讀
◆繪制電氣控制原理圖的原則
◆電氣二次回路圖類型及閱讀方法
◆如何繪制電氣原理圖、電器元件布置圖、電氣安裝接線圖和二次電路圖
