昌暉儀表工程師在本文分享繪制電氣原理圖、電器元件布置圖、電氣安裝接線圖和二次電路圖的原則和具體要求,是電氣設計人員必讀的干貨技術文章。
常用的電氣圖包括:電氣原理圖、電器元件布置圖、電氣安裝接線圖。各種圖紙的圖紙尺寸一般選用297×210、297×420、297×630、297×840mm、四種幅面,特殊需要可按GB126-74《機械制圖》國家標準選用其他尺寸。
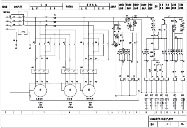
電氣原理圖
用圖形符號、文字符號、項目代號等表示電路各個電氣元件之間的關系和工作原理的圖稱為電氣原理圖。電氣原理圖結構簡單、層次分明,適用于研究和分析電路工作原理、并可為尋找故障提供幫助,同時也是編制電氣安裝接線圖的依據,因此在設計部門和生產現場得到廣泛應用。
電氣原理圖是把一個電氣元件的各部件以分開的形式進行繪制,現場也有將同一電器上各個零部件均集中在一起,按照其實際位置畫出的電路結構圖。
結構圖的畫法比較容易識別電器,便于安裝和檢修。但是,當線路比較復雜和使用的電器比較多時,線路便不容易看清楚。因為同一電器的各個部件在機械上雖然聯在一起,但是電路上并不一定相互關聯。

電氣原理圖繪制原則
1、電氣原理圖中的電器元件是按未通電和沒有受外力作用時的狀態繪制。在不同的工作階段,各個電器的動作不同,觸點時閉時開。而在電氣原理圖中只能表示出一種情況。因此,規定所有電器的觸點均表示在原始情況下的位置,即在沒有通電或沒有發生機械動作時的位置。對接觸器來說,是線圈未通電,觸點未動作時的位置;對按鈕來說,是手指未按下按鈕時觸點的位置;對熱繼電器來說,是常閉觸點在未發生過載動作時的位置等等。
2、觸點的繪制位置。使觸點動作的外力方向必須是:當圖形垂直放置時為從左到右,即垂線左側的觸點為常開觸點,垂線右側的觸點為常閉觸點;當圖形水平放置時為從下到上,即水平線下方的觸點為常開觸點,水平線上方的觸點為常閉觸點。
3、主電路、控制電路和輔助電路應分開繪制。主電路是設備的驅動電路,是從電源到電動機大電流通過的路徑;控制電路是由接觸器和繼電器線圈、各種電器的觸點組成的邏輯電路,實現所要求的控制功能;輔助電路包括信號、照明、保護電路。
4、動力電路的電源電路繪成水平線,受電的動力裝置(電動機)及其保護電器支路應垂直與電源電路。
5、主電路用垂直線繪制在電氣原理圖的左側,控制電路用垂直線繪制在圖的右側,控制電路中的耗能元件畫在電路的最下端。
6、電氣原理圖中自左而右或自上而下表示操作順序,并盡可能減少線條和避免線條交叉。
7、電氣原路圖中有直接電聯系的交叉導線的連接點(即導線交叉處)要用黑圓點表示。無直接電聯系的交叉導線,交叉處不能畫黑圓點。
8、在電氣原理圖的上方將圖分成若干圖區,并標明該區電路的用途與作用;在繼電器、接觸器線圈下方列有觸點表,以說明線圈和觸點的從屬關系。

如何畫電器元件布置圖
電器元件布置圖主要是表明電氣設備上所有電器元件的的實際位置,為電氣設備的安裝及維修提供必要的資料。電器元件布置圖可根據電氣設備的復雜程度集中繪制或分別繪制。
電器元件布置圖中不需標注尺寸,但是各電器代號應與有關圖紙和電器清單上所有的元器件代號相同,昌暉儀表建議在電器元件布置圖中往往留有10%以上的備用面積及導線管(槽)的位置,以供改進設計時用。
電器元件布置圖繪制原則
1、繪制電器元件布置圖時,機床的輪廓線用細實線或點劃線表示,電器元件均用粗實線繪制出簡單的外形輪廓。
2、繪制電器元件布置圖時,電動機要和被拖動的機械裝置畫在一起;行程開關應畫在獲取信息的地方;操作手柄應畫在便于操作的地方。
3、繪制電器元件布置圖時,各電器元件之間,上、下、左、右應保持一定的間距,并且應考慮器件的發熱和散熱因素,應便于布線、接線和檢修。
如何繪制電氣安裝接線圖
電氣安裝接線圖主要用于電氣設備的安裝配線、線路檢查、線路維修和故障處理。在電氣安裝接線圖中要表示出各電氣設備、電器元件和電力儀表之間的實際接線情況,并標注出外部接線所需的數據。在電氣安裝接線圖中各電器元件的文字符號、元件連接順序、線路號碼編制都必須與電氣原理圖一致。
電氣安裝接線圖繪制原則
1、繪制電氣安裝接線圖時,各電器元件均按其在安裝底板中的實際位置繪出。元件所占圖面按實際尺寸以統一比例會址。
2、繪制電氣安裝接線圖時,一個元件的所有部件繪在一起,并用點劃線框起來,有時將多個電器元件用點劃線框起來,表示它們是安裝在同一安裝底板上的。
3、繪制電氣安裝接線圖時,安裝底板內外的電器元件之間的連線通過接線端子板進行連接,安裝底板上有幾條接至外電路的引線,端子板上就應繪出幾個線的接點。
4、繪制電氣安裝接線圖時,走向相同的相鄰導線可以繪成一股線。
如何繪制二次電路
1、直流回路從正極到負極
列如控制回路、信號回路等。從一個回路的直流正極開始,按照電流的流動的方向,看到負極為止。
2、交流回路從火線到中性線
列如電流、電壓回路,變壓器的風冷回路。從一個回路的火線(A、B、C相)開始,按照電流的流動方向,看到中性線(N極)為止。
3、見接點找線圈,見線圈找接點
見到接點即要找到控制該接點的繼電器或接觸器的線圈位置。線圈所在的回路是接點的控制回路,以分析接點動作的條件。見線圈找出它的所有接點,以便找出該繼電器控制的所有接點(對象)。
4、利用歐姆定律分析繼電器判斷是否動作
判別的依據是,電壓型線圈的兩端加有足夠大的電壓,電流型線圈的通過兩端加有足夠大的電流。對于電壓型繼電器的線圈回路,當線圈的兩端通過若干個繼電器的接點或電流線圈與分別電源的正、負極貫通,則認為繼電器(接觸器)動作(勵磁),當回路中有短開的接點,或線圈回路串接有比較大的電阻,或者線圈被并接的接點短接時,則認為繼電器(接觸器)不動作(不勵磁)。
例如:開關分閘回路,當開關處于合位,分閘線圈的正極端串接有合位繼電器(電阻大),則認為其不動作。當保護跳閘接點閉合,將線圈直接接到電源正極時,則認為分閘線圈動作。對于電流型(如跳閘回路的防跳躍繼電器),當線圈的兩端通過若干個繼電器的接點或電阻較小的線圈與分別電源的正、負極貫通,則認為繼電器(接觸器)動作(勵磁)。當回路中有短開的接點,或線卷回路串接有比較大的電阻,或者線卷被并接的接點短接時,則認為繼電器(接觸器)不動作(不勵磁)。
5、看完所有支路
當某一回路,從正極往負極看回路時,如中間有多個支路連往負極,則每個支路必須看完。否則分析回路的就會漏掉部分重要的情況。
6、利用相對編號法、回路標號弄清安裝圖與展開圖的接線原理圖中設備的對應關系
核查安裝圖與展開圖的對應關系的主要目的:第一是檢查安裝圖是否與展開圖相對應。第二,弄清展開圖中各設備在現場的位置。從安裝圖(如保護屏端子排接線圖)查清某個端子排的端子在展開圖中的位置,則先查出該端子上所在的回路標號,再查對展開圖中回路標號,相同的回路標號即同個回路,即可在展開圖中迅速找到該回路,在展開圖查明它在整個回路中的作用。
如手上只有安裝圖或者發現安裝圖與展開圖的原理接線圖無法對應時,則從安裝圖中每個的設備端子上所標的編號,依據相對編號法,查到該所連接的另外設備的端子,然后再查出該端子所連接另外設備,直到查到直流電源的正負極或交流回路的火線和中性線為止。最后把整個相關的回路都查出來,畫成圖后可分析連接是否符合動作原理。當想弄清展開圖上設備的位置時,則一是利用展開圖上的設備表提供的位置,然后去相應的安裝圖上查對。二是先弄清展開圖中的端子符號,哪些是屏柜端子排的端子、哪些是(護或自動)置的端子,然后直接去可能的屏柜、端子箱中查找。
7、識圖特殊問題的解決方法:
①如何用設備的實際狀態(能看到的設備狀態)描述回路或繼電器的動作條件:先以回路的接點分、合狀態來描述回路的條件,然后根據接點的分、合狀態與設備的狀態的對應關系,替換描述(用開關機構箱的“遠/近控切換開關”在“遠方”位置來代替“遠/近控切換開關”在遠方控制回路中的接點狀態)。必須逐步形成這一能力,否則看圖紙將停留在原始狀態,只能看到接點的分、合和繼電器的是否勵磁,無法與運行中設備狀態的監視和操作結合起來。
②如何弄清展開圖中的部分采用方框畫法設備與外部其他部分的連接?先查清方框畫法設備的端子編號,然后利用能展示該設備內部接線圖的裝置說明書或廠家圖,在這些圖紙中找到往外部連接的端子編號,再與內部回路連接起來,然后通過往外的連接的端子再與外部回路聯系起來。
電氣設計相關文章
◆儀表電氣裝配技術規范
◆電氣二次回路數字標號標注規范與注意事項
