
上面這兩張圖有啥不同哪?細心的你可能發現了,左圖并沒有接地點,而右圖卻增加了一個接地點。
電源的負極通常稱為0電位點,而增加了一個接地,就為全電路增加了一個參考電位,也就是0參考點。有了0電位的參考點,就有了電路當中各點對地的電壓,如此,才有意義,其前提就是,地被認定為0電位。
在直流系統當中,正、負極對地都是絕緣的,若發生一極接地,由于沒有構成回路,不會引起什么問題,但再發生另一點接地,問題就出現了,可能引起保護裝置誤動和拒動,發生一點接地后,再發生另一極接地就會造成直流短路。所以,在直流系統當中,通常要增加絕緣監察裝置,來檢測正,或負極對地的絕緣狀況。
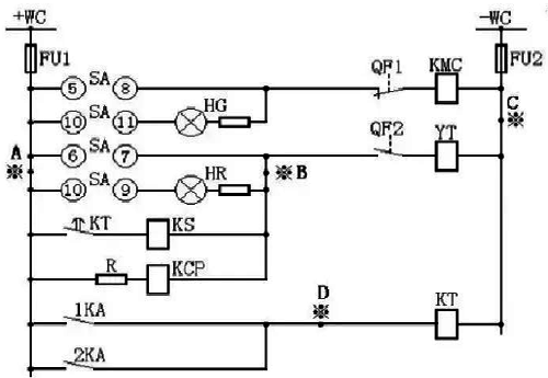
若直流正極接地,有造成保護誤動作的可能。因為一般跳閘線圈均接電源負極,若跳閘回路再發生接地或絕緣不良,就會引起保護誤動。如下圖:

若A、B兩點接地,保護裝置跳閘出口將會被短接,電壓直接加在分閘線圈上,將導致分閘線圈動作,保護誤動。
再比如B、C兩點接地,開關合閘后,輔助開關閉合,B、C兩點均接電源負,此時,B、C兩點將被短接,短掉了分閘線圈,若發生保護動作,也不會動作,造成保護拒動。
還有A、D兩點,若此兩點發生接地,將直接導致正、負極短路,開關跳閘,或保險熔斷。
這就是為什么要在直流系統當中加絕緣監察裝置的原因。
絕緣監察的原理也不復雜,就是一個電橋電路,如下:

正常情況下,Rx與Ry都等同于無窮大,平時沒有電流通過,接在DC220V之間的就只有兩個相等的R了,兩個相等的電阻分壓并接地,正、負對地電壓就是±110V了。
Rx與Ry屬于待測電阻,分別屬于正對地電阻和負對地電阻,求出Rx和Ry的值,就能確定正、負對地的絕緣狀況。
為了求得Rx和Ry的值,需要將上圖做如下變換,如下:

這張圖與上圖不同,多了一個K1和K2,這兩個點不能同時閉合。當K1閉合,K2斷開時,R與Rx并聯,再與Ry串聯。當K2閉合,K1斷開時,R與Ry并聯,再與Rx串聯。通過分壓公式,就可以確定Rx與Ry的大小,由此便可確定正、負對地的絕緣狀況。
在直流系統中,無論正極,還是負極都是不接地的。若正極接地,則負極對地電壓升高,接地嚴重時接地電壓可以達到額定直流電壓。同樣,若負極接地,則正極對地的電壓升高。
直流系統接地在變電站或開關站中是比較重要的!直流系統出現接地,或絕緣不良,應該及時采取措施,消除事故隱患,避免誤動或拒動的發生。所以,在直流系統接地,應有時間限制,一般不超過2小時。
