昌暉YR-EC10系列在線電導率儀可對工業用水的電導率(TDS)值進行連續測量和控制。用戶可以通過電導率儀的界面配置和校準實現模擬輸出,可以實現繼電器控制及數字通訊等功能。電導率儀廣泛應用于RO、超純水、冷卻水、鍋 爐水、工業制程及水處理等溶液中電導率/TDS和溫度的連續監測。
YR-EC10在線電導率儀特點
1、3.5英寸128×64點陣式白屏黑字液晶顯示,高亮度,高分辨率,方便數據讀取
2、YR-EC10系列在線電導率儀戶外防水設計,防護等級IP65,外觀大方、高端
3、可拔插式接線端子,接線作業方便;標準M20×1.5電氣接口,防塵防水
4、電導率儀支持中英文菜單切換
5、電導率(TDS)在線監測
6、支持電極校準功能
7、電極標準溶液(1413μs/cm)
8、硅膠輕觸按鈕,人機交互好
9、手動/自動溫度補償可選
10、Pt1000或NTC 10K溫補可選
11、模擬量變送輸出
12、2個報警接點輸出
13、RS484通訊(MODBUS RTU協議),方便用戶構成水質采集分析控制系統

YR-EC10在線電導率儀技術參數
1、測量范圍:0.00μs/cm-200.0ms/cm
2、分辨率:0.01μs/cm
3、測量精度:1%±1Digit
4、輸出信號
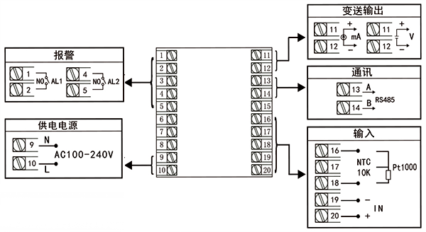
①電導率儀的變送輸出:
◆變送輸出4-20mA(負載電阻RL≤480Ω)
◆變送輸出0-10mA(負載電阻RL≤960Ω)
◆變送輸出0-20mA(負載電阻RL≤480Ω)
◆變送輸出1-5V(負載電阻≥250kΩ)
◆變送輸出0-5V(負載電阻R≥250kΩ)
◆變送輸出0-10V(負載電阻RL≥500kΩ)
②報警輸出:2路繼電器觸點輸出,觸點容量AC220V/2A(阻性負載)
③通訊輸出:RS485通訊接口,波特率1200-38400bps可設置,標準MODBUS RTU通訊協議
5、測量精度:1%±1Digit
6、輸入阻抗:≥1012Ω
7、溫度補償:-10.0~130.0℃,精度±0.5℃;手動溫度補償模式;NTC10K,Pt1000自動溫度補償模式
8、工作溫度:-20~55℃
9、儲存溫度:-20~55℃
10、供電電源:AC/DC100-240V()50/60Hz)
11、防護等級:YR-EC10系列在線電導率儀防護等級為IP65

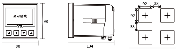
12、安裝方式:YR-EC10系列電導率儀有盤裝式、壁掛式或管道式三種

①盤裝式在線電導率儀安裝
請預先在儀表盤盤面上開92×92mm的方孔,電導率儀從表盤面面板直接推入,將電導率儀所附的固定器由后方套入,卡進固定槽內。如果在同一儀表盤上安裝多臺儀表,應參考儀表最小間距38mm,以保證必要的散熱及裝卸空間
②壁掛式在線電導率儀安裝
將壁掛式固定器固定在在線電導率儀背后,再講固定器掛孔對準墻面固定住,完成壁掛安裝
③管道式電導率在線監測儀安裝
先確定電導率儀安裝位置,將管道式固定器套在管道上,再將電導率儀固定在管道式固定器上,完成電導率儀在管道安裝
13、質保:昌暉電導率儀為10年使用壽命設計,質保24個月
13、在線電導率儀外形尺寸:98×98×134mm(寬×高×深);開孔尺寸:92×92mm(寬×高)

YR-EC10在線電導率儀選型表
YR-EC10①-②③-④-⑤
①代碼 安裝方式
[01]:盤裝式電導率儀
[02]:壁掛式電導率儀
[02]:管道式電導率儀
②通訊方式
[0]:無通訊
[8]:RS485
③電導率儀變送輸出類型
[2]:4-20mA
[3]:0-10mA
[4]:1-5V
[5]:0-5V
[6]:0-20mA
[7]:0-10V
④報警輸出
[2]:2限報警
⑤電導率儀供電電源
[T]:AC/DC100-240V(50/60Hz)
YR-EC10在線電導率儀選型舉例:
YR-EC1001-82-2-T(盤裝式在線電導率儀+RS485+4-20mA變送輸出+2限報警)
YR-EC1002-82-2-T(壁掛式在線電導率儀+RS485+4-20mA變送輸出+2限報警)
YR-EC1003-82-2-T(管裝式在線電導率儀+RS485+4-20mA變送輸出+2限報警)
YR-EC10在線電導率儀接線圖

