單是第一眼看到這個方法,的確是一見鐘情了,非常簡易的方案,低功耗設計,將電路板集成在表筆中,簡約而不簡單。很難想象,這個是一個4?位萬用表。

簡易4?位萬用表特性
◆4?位、50K計數分辨率
◆支持藍牙低耗能(BLE)的無線MCU,適用于物聯網無線應用
◆由CapTIvate電容式觸控技術實現的自動喚醒功能
◆低功耗設計和電源管理系統
◆由NFC動態界面實現的BLE移動應用程序配對功能
◆基于固件的真正RMS測量
◆電壓:50V、5V、500mV和50mV
◆電流:50mA和500μA
◆具有18位400kSPSSARADC,可實現:
①50,000顯示計數分辨率
②1μV/10nA分辨率
③在100kHz時具有0.05%直流精度、3%交流精度
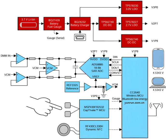
簡易4?位萬用表設計框圖

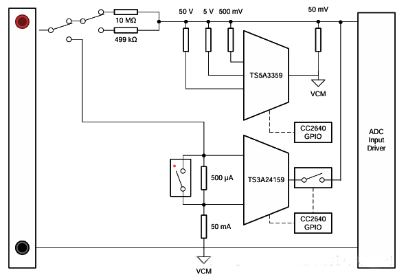
DMM前端電路框圖
電壓測量是通過將外部被測設備(DUT)電壓施加在萬用表(DMM)輸入端(紅色)和COM端(黑色)之間,并將機械開關設置到“電壓”位置來完成的。這些輸入端支持正、負電壓極性。AFE模塊的電壓測量部分提供了適當的電壓縮放,以支持由MCU選擇的四個可用電壓范圍。這是通過由1:3TS5A3359模擬多路復用器控制的可配置分壓器或衰減網絡來實現的。多路復用器可以保持開路狀態,也可以選擇不同的電阻,以根據每個電壓范圍的需要更改分壓器。如下圖所示,TS5A3359可以獨立啟用50V、5V或500mV的分壓電阻。這些電阻與50mV電阻并聯,以與電壓端輸入電阻建立所需的分壓比例。50mV范圍的分壓比例是在禁用50V、5V和500mV電阻的情況下建立的。該分壓器網絡在所有電壓范圍內的有效輸出信號電平為±50mV。實際設計還包括一個與電阻網絡并聯的相應電容分壓網絡,以補償和校準整體系統交流頻率響應(更多細節請參見原理圖)。電壓輸入端所示的10MΩ電阻為所有分壓器網絡設置提供恒定電阻。為了滿足表1中列出的所有電壓范圍的輸入阻抗要求,需要使用10MΩ,但其相對較高的阻值會對系統的噪聲和分辨率性能產生負面影響。因此,在下圖的參考設計中包含了一個開關,以在低50mV范圍設置下提供更好的噪聲和分辨率性能,同時通過在電壓分壓時使用100MΩ電阻來滿足輸入阻抗要求。

電流測量
當前的測量部分提供由MCU選擇的500μA和50mA電流量程設置。兩個分流電阻連接在DMM(紅色)端子(設定為“電流”位置)和COM(灰色)端子之間,用于將各自的電流轉換為電壓。這些輸入端子支持正負電流極性。使用雙2:1TS3A24159模擬多路復用器在兩個量程之間進行選擇。TS3A24159中的第二個多路復用器用作基本模擬開關功能,在選擇50mA量程時旁路500μA量程的分流電阻。分流電阻網絡的輸出電壓范圍也約為±50mV,這是由50mV的負載電壓要求決定的。TSA3166SPST模擬開關提供了電流分流電阻的隔離,防止其與用于電壓測量的分壓器并聯。
輸入緩沖和放點電路
電壓模式和電流模式輸出信號向ADC輸入驅動緩沖器提供±50mV信號。已選擇配置為電壓跟隨器的OPA313來緩沖該信號,以向THS4531全差動放大器(FDA)提供低阻抗輸出。此外,OPA313具有足夠的帶寬,通過在100kHz時提供小于1%的信號衰減,支持TIDA-01012在100kHz下3%的精度設計目標。這款THD4531FDA用于將50mV信號放大,以匹配ADC的2.5V參考電壓。為該參考設計選擇了標稱增益為44.2,以向ADC提供高達約±2.2V的信號,同時考慮設計公差和THS4531輸出緩沖器的軌到軌電壓裕量。THS4531還具有優秀的帶寬特性,以滿足TIDA-01012精度設計目標的要求。

無線MCU
CC2640器件是一款面向藍牙低能耗應用的無線MCU。該器件是CC26xx系列的成員,該系列為成本效益高、超低功耗的2.4GHz無線射頻器件。極低的工作RF電流和MCU電流以及低功耗模式電流消耗提供了出色的電池壽命,使其能夠在小型紐扣電池和能量收集應用中運行。
CC2640器件包含一個32位ARM®Cortex®-M3處理器,主處理器運行頻率為48MHz,并具有豐富的外設功能,包括獨特的超低功耗傳感器控制器。該傳感器控制器非常適合連接外部傳感器并在系統其余部分處于睡眠模式時自主收集模擬和數字數據。因此,CC2640器件非常適合對電池壽命長、小型化和易用性有要求的廣泛應用。藍牙低能耗控制器嵌入到ROM中,并部分運行在ARMCortex-M0處理器上。這種架構提高了整體系統性能和功耗效率,同時釋放了應用程序的閃存空間。

MCU
MSP430FR263x和MSP430FR253x是基于FRAM的超低功耗MSP微控制器,具有CapTIvate觸摸技術,適用于按鈕、滑塊、輪(BSW)和接近應用。CapTIvate技術在市場上提供最高分辨率的電容觸摸解決方案,同時具有高可靠性和抗噪能力,并且功耗最低。CapTIvate技術支持同一設計中自電容和互電容電極的并行使用,以實現最大靈活性。通過CapTIvate設計中心,工程師可以使用易于操作的GUI快速開發BSW應用。TI的低功耗MCU系列包括多種設備,具有針對不同應用的不同外設組合。其架構結合了廣泛的低功耗模式,經過優化以在便攜測量應用中實現延長電池壽命。該MCU配備強大的16位RISCCPU、16位寄存器和常數生成器,有助于實現最大代碼效率。數字控制振蕩器(DCO)使MCU能夠從低功耗模式喚醒至活動模式,通常耗時不到10微秒。

ADC
ADS8885是一款18位、400kSPS、真正差分輸入的ADC。該器件可使用2.5至5V的外部參考電壓,從而在無需額外輸入信號縮放的情況下提供廣泛的信號范圍選擇。參考電壓的設定獨立于模擬電源電壓(AVDD),并且可以高于AVDD。該器件提供兼容串行外設接口(SPI)的串行接口,同時支持菊鏈操作,可級聯多個器件。可選的忙指示位使與數字主機同步變得容易。器件支持單極性、真正差分的模擬輸入信號,差分輸入擺幅為-VREF到VREF。該真正差分輸入結構允許共模電壓在0V至VREF范圍內任意值(當兩個輸入都在操作輸入范圍-0.1V至VREF+0.1V內時)。器件操作針對超低功耗進行了優化。功耗與速度直接相關。這一特性使ADS8885非常適合低速應用。

選擇像ADS8885這樣低功耗的SARADC有助于實現低功耗設計,同時仍能達到滿足設計目標所需的分辨率和速度。下表中的比較顯示了額外的18位低功耗、高吞吐量的SARADC。

信號調理
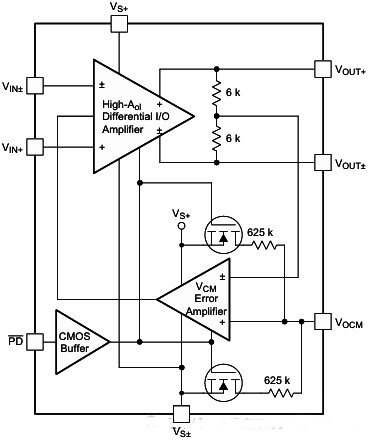
THS4531是一款低功耗、全差分運算放大器,輸入共模范圍低于負電源軌且輸出可實現軌到軌。該器件專為低功耗數據采集系統和對功耗及功耗散耗要求嚴格的高密度應用而設計。該器件具有精確的輸出共模控制,可在驅動ADC時實現直流耦合。這種控制結合低于負電源軌的輸入共模范圍和軌到軌輸出,使從單端接地參考信號源到SAR和ΔΣ(ΔΣ)ADC的接口變得輕松,并且僅需單電源2.5至5伏電源即可工作。THS4531也是一般用途低功耗差分信號調理應用的重要工具。

OPAx333是一系列零漂移、低功耗、輸入輸出軌到軌的運算放大器。這些器件工作電壓范圍為1.8至5.5V,具備單位增益穩定性,適用于各種通用應用。零漂移架構提供超低偏置電壓和接近于零的偏置電壓漂移。OPA333和OPA2333均具有單位增益穩定性,并且不會出現意外的輸出相位反轉。這些器件采用專有的自動校準技術,實現低偏置電壓以及在時間和溫度變化下的極低漂移。

OPAx313是一系列低功耗、軌到軌輸入和輸出的運算放大器,專為便攜式應用設計。這些器件工作電壓范圍為1.8到5.5V,具備單位增益穩定性,適用于廣泛的通用應用。其AB類輸出級能夠驅動連接在任意V點與地之間的≤10kΩ負載。輸入共模電壓范圍包含兩個電源軌,使OPAx313系列幾乎可用于任何單電源應用。軌到軌輸入和輸出擺幅顯著增加了動態范圍,尤其在低電源電壓應用中,并且非常適合驅動采樣ADC
OPAx313具有1MHz帶寬和0.5V/μs的轉換速率,每通道僅消耗50μA電源電流,在極低功耗下提供良好的交流性能。直流應用也同樣表現優異,具有1kHz下25nV/√Hz的低輸入噪聲電壓、低輸入偏置電流(0.2pA)以及0.5mV的輸入失調電壓(典型值)。典型的失調電壓漂移為2μV/°C;在整個溫度范圍內,輸入失調電壓僅變化200μV(從0.5到0.7mV)。

電壓基準
REF33xx是一系列低功耗、高精度帶隙電壓參考器,專為極低壓差、優異的初始電壓精度和高輸出電流而設計,典型溫漂為9ppm/°C。

模擬開關
TS3A24159是一個雙通道單刀雙擲(SPDT)雙向模擬開關,設計用于1.65至3.60V的工作電壓。它提供較低的導通電阻和出色的導通電阻匹配,并具有斷開前閉合功能,以防止信號從一個通道傳輸到另一個通道時發生信號失真。該器件具有優異的總諧波失真(THD)性能、低導通電阻且功耗非常低。這些特性使該器件適用于各種市場和許多不同的應用。

TS5A3166是一種單刀單擲(SPST)模擬開關,設計用于1.65至5.5V的操作電壓。該器件具有較低的導通電阻,出色的總諧波失真(THD)性能,并且功耗非常低。這些特性使其適合用于便攜式音頻應用。

TS5A3359是一款雙向、單通道、單刀三擲(SP3T)模擬開關,設計工作電壓范圍為1.65至5.5V。該器件在提供信號切換解決方案的同時保持出色的信號完整性,使TS5A3359適用于包括個人電子產品、便攜式儀器以及測試與測量設備在內的各類市場的廣泛應用。該器件通過其低導通電阻、出色的導通電阻匹配以及總諧波失真(THD)性能來保持信號完整性。為了防止信號在從一個通道切換到另一個通道過程中產生失真,TS5A3359還具有指定的斷開優先(break-before-make)特性。該器件功耗極低,并在VCC=0時提供隔離功能。

NFC接口芯片
動態NFC接口收發器RF430CL330H是一種NFC標簽類型4設備,結合了無線NFC接口和有線SPI或I2C(集成電路互連)接口,用于將設備連接到主機。SRAM中的NDEF消息可以通過集成的SPI或I2C串行通信接口進行讀寫,也可以通過支持高達848kbps的集成ISO14443B兼容RF接口進行無線訪問和更新。這一操作允許NFC連接切換到其他傳輸載體,如藍牙、低功耗藍牙和Wi-Fi®,從而實現輕松直觀的配對或認證過程,只需輕觸一次即可完成。作為通用NFC接口,RF430CL330H使終端設備能夠與快速增長的支持NFC的智能手機、平板電腦和筆記本電腦基礎設施進行通信。

電池管理
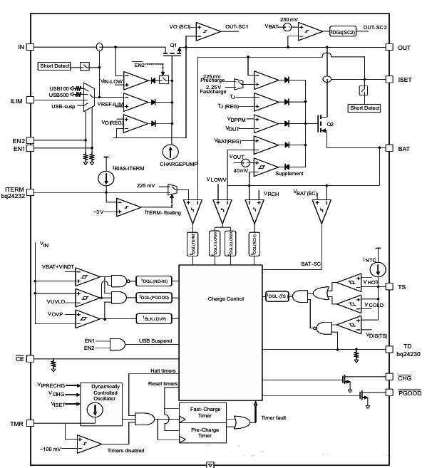
bq24232設備是集成的鋰離子線性充電器和系統電源路徑管理設備,主要面向空間受限的便攜式應用。該設備在為系統供電的同時,可以獨立充電電池。這一特性可以減少電池的充放電循環次數,實現正確的充電終止,并使系統在電池損壞或缺失的情況下繼續運行。同時,即使電池完全放電,也可以實現系統瞬間開機。用于為電池充電和為系統供電的輸入電源可以是交流適配器或USB端口。該設備具有動態電源路徑管理(DPPM)功能,可以在系統和電池充電之間共享源電流,并在系統負載增加時自動降低充電電流。當從USB端口充電時,輸入動態電源管理(VIN-DPM)電路會在輸入電壓低于閾值時降低輸入電流限制,從而防止USB端口崩潰。電源路徑架構還允許當適配器無法提供峰值系統電流時,由電池補充系統所需電流。

bq27426電量計可以準確預測單個鋰基可充電電池的容量和其他運行特性。系統處理器可以查詢它,以提供電池狀態信息,例如電荷狀態(SoC)。

TPS6274x是首款具有超低靜態電流消耗(典型值360nA)的降壓轉換器,并采用TI的DCS-Control?拓撲結構來調節輸出電壓。該器件將高效率運行擴展到輸出電流低至幾微安的情況。

TPS782系列LDO專為電池供電的應用設計,在這些應用中超低靜態電流是關鍵參數。TPS782系列與TIMSP430及其他類似產品(如CC2640)兼容。使能引腳(EN)兼容標準CMOS邏輯。該LDO系列在任何大于1.0μF的輸出電容下均保持穩定。

ESD保護
TPD1E10B06是一款單通道ESDTVS二極管,采用小型0402封裝。該TVS保護產品提供±30kVIEC空氣間隙和±30kV接觸ESD保護,并帶有用于雙極性或雙向信號支持的背靠背TVS二極管的ESD夾電路。這款ESD保護二極管的12pF線路電容適用于支持高達400Mbps數據速率的各種應用。0402封裝是行業標準,便于在節省空間的應用中放置元件。該ESD保護產品的典型應用包括音頻線路(麥克風、耳機和免提電話)、SD接口、按鍵或其他按鈕、USB端口的VBUS引腳和ID引腳,以及通用I/O端口的電路保護。該ESD夾非常適合用于保護終端設備,如電子書、平板電腦、遙控器、可穿戴設備、機頂盒及電子銷售點設備。
電平轉換
LSF系列可用于電平轉換應用,用于不同接口電壓的設備或系統之間的互聯。LSF系列非常適合在數據I/O連接開漏驅動器的應用中使用。在合適的上拉電阻和布局下,LSF可實現100MHz的速度。LSF系列也可用于數據I/O連接推挽驅動器的應用中。

LSF系列由雙向電壓電平轉換器組成,工作電壓范圍為0.8至4.5V(Vref_A)和1.8至5.5V(Vref_B)。該范圍允許在無需方向端子的情況下,在開漏或推挽應用中進行0.8至5.0V的雙向電壓轉換。LSF系列支持最高100MHz傳輸速度的電平轉換應用。

相關閱讀
◆盤點幾款萬用表專用芯片
◆進行電氣測試時,聰明人使用萬用表的不明智之舉
