氮封系統的作用
《HG/T20570.16-95氣封的設置》第1.0.1.1條款:為防止儲罐內物料因與進入的外界氣體(空氣)接觸而被污染變質或與外界進入的氣體(空氣)發生化學和(或)生物反應,常需設置氣封系統。用氣封氣使儲罐內維持一定壓力(正壓),防止儲罐內物料與外界氣體接觸。
氮封系統的設置
◆《GB50160-2008(2018年版)石油化工企業設計防火標準》
第6.2.2.1條款:儲存甲B、乙A類的液體應選用金屬浮艙式的浮頂或內浮頂罐。當單罐容積小于或等于5000m3的內浮頂儲罐采用易熔材料制作的浮盤時,應設置氮氣保護等安全措施。
第6.2.4A條款:儲存溫度超過120℃的重油固定頂罐應設置氮氣保護。
◆《GB51283-2020精細化工企業工程設計防火標準》
第6.2.2條款:單罐容積不小于100m3的甲B、乙A類液體儲存應選用內浮頂罐。當采用易熔材質制作浮盤時,應設置氮氣保護等安全措施。采用固定頂罐或低壓罐時,應采用氮氣或惰性氣體密封,并采取減少日曬升溫的措施。
◆《GB51428-2021煤化工工程設計防火標準》
第7.2.2條款:儲存沸點低于45℃或真實蒸氣壓不小于76.6kPa的甲B類液體,應選用壓力儲罐、低壓儲罐或降溫常壓儲罐,并應符合下列規定:
1 選用壓力儲罐或低壓儲罐時,應設置氮氣密封保護系統,并應密閉回收處理罐內排出的氣體;
2 選用降溫常壓儲罐時,應控制儲存溫度低于液體閃點5℃及以下,并應設置氮氣密封保護系統。
第7.2.3條款:儲存沸點不低于45℃或真實蒸氣壓小于76.6kPa的甲B、乙A類液體,應選用浮頂罐或內浮頂罐。當甲B、乙A類液體因特殊儲存要求采用固定頂罐、低壓儲罐和容積大于50m3的臥式儲罐時,應采取下列措施之一:
1 設置氮氣密封保護系統,密閉回收處理罐內排出的氣體;
2 控制儲存溫度低于液體閃點5℃及以下;
3 其他安全措施。
第7.2.7條款:儲存毒性為高度和極度危害的甲B、乙A類液體的內浮頂儲罐,儲存溫度超過120℃的重油固定頂罐應設置氮氣密封保護系統。
第7.2.8條款:多雷和強雷地區單罐容積大于或等于50000m3的浮頂儲罐的一次、二次密封之間應采取下列措施之一:
1 設置氮氣密封保護系
2 向一次、二次密封之間的空間充填軟體不燃或難燃材料。
◆《化工企業可燃液體常壓儲罐區安全管理規范(征求意見稿)》
第6.1.3條款:新建儲罐單罐容積大于等于1000m3的甲B類、乙類、操作溫度大于等于120℃的丙類內浮頂和固定頂儲罐應設氮封保護措施,并應對儲罐上方氣相空間氧濃度進行定期檢測,至少每季度檢測1次,氧氣濃度應控制在儲存介質極限濃度的50%以下。
第6.1.5條款:新建儲存甲B和乙A類液體的儲罐應選用內浮頂罐或外浮頂罐,對于有特殊要求的物料,在采取相應安全措施后可選用其他型式的儲罐,如苯乙烯、丙烯腈等易聚合、易氧化的物料選用固定頂儲罐或臥式儲罐加氮封儲存。
第6.1.6條款:含油污水儲罐、酸性水儲罐、輕污油儲罐、儲存溫度超過120℃的重油固定頂儲罐應設置氮封保護,并應定期對含油污水和酸性水儲罐上方氣相空間可燃氣體濃度進行檢測,可燃氣體濃度不得大于爆炸下限50%。
第6.1.19條款:儲罐設置油氣收集系統時,儲罐應設置氮氣密封保護系統,儲罐內氣相空間氧氣濃度不得大于儲存介質氣相極限氧濃度的50%,應在收集干線總管道上設置氧分析儀和控制閥,含量過高時關閉控制閥。
◆《GB50074-2014石油庫設計規范》
第6.1.2條款:儲存沸點低于45℃或37.8℃的飽和蒸氣壓大于88kPa的甲B類液體,應采用壓力儲罐、低壓儲罐或低溫常壓儲罐,并應符合下列規定:
1選用壓力儲罐或低壓儲罐時,應采取防止空氣進入罐內的措施,并應密閉回收處理罐內排出的氣體。
2選用低溫常壓儲罐時,應采取下列措施之一:
1)選用內浮頂儲罐,應設置氮氣密封保護系統,并應控制儲存溫度使液體蒸氣壓不大于88kPa;
2)選用固定頂儲罐,應設置氮氣密封保護系統,并應控制儲存溫度低于液體閃點5℃及以下。
第6.1.3條款:儲存沸點不低于45℃或在37.8℃時的飽和蒸氣壓不大于88kPa的甲B、乙A類液體化工品和輕石腦油,應采用外浮頂儲罐或內浮頂儲罐。有特殊儲存需要時,可采用容量小于或等于10000m3的固定頂儲罐、低壓儲罐或容量不大于100m3的臥式儲罐,但應采取下列措施之一:
1 應設置氮氣密封保護系統,并應密閉回收處理罐內排出的氣體;
2 應設置氮氣密封保護系統,并應控制儲存溫度低于液體閃點5℃及以下。
第6.1.8條款:儲存I、Ⅱ級毒性的甲B、乙A類液體儲罐的單罐容量不應大于5000m3,且應設置氮封保護系統。
◆《SH/T3007-2014石油化工儲運系統罐區設計規范》
第4.2.4條款:儲存沸點低于45℃或在37.8℃時飽和蒸氣壓大于88kPa的甲B類液體,應采用壓力儲罐、低壓儲罐或降溫儲存的常壓儲罐,并應符合下列規定:
a)選用壓力儲罐或低壓儲罐時,應采取防止空氣進入罐內的措施,并應密閉收集處理罐內排出的氣體;
b)選用降溫儲存的常壓儲罐時,應采取下列措施之一:
—選用內浮頂儲罐,設置氮氣或其他惰性氣體密封保護系統,控制儲存溫度使液體蒸氣壓不大于88kPa;
—選用固定頂儲罐,設置氮氣或其他惰性氣體密封保護系統,控制儲存溫度低于液體閃點5℃及以下;
—選用固定頂儲罐,設置氮氣或其他惰性氣體密封保護系統,控制儲存溫度使液體蒸氣壓不大于88kPa,密閉收集處理罐內排出的氣體。
第4.2.5條款:儲存沸點大于或等于45℃或在37.8℃時飽和蒸氣壓不大于88kPa的甲B、乙A類液體,應選用浮頂儲罐或內浮頂儲罐。其他甲B、乙A類液體化工品有特殊儲存需要時,可以選用固定頂儲罐、低壓儲罐和容量小于或等于100m3的臥式儲罐,但應采取下列措施之一:
—設置氮氣或其他惰性氣體密封保護系統,密閉收集處理罐內排出的氣體;
—設置氮氣或其他惰性氣體密封保護系統,控制儲存溫度低于液體閃點5℃及以下。
◆《石油化工儲運罐區VOCs治理項目油氣連通工藝實施方案及安全措施指導意見》
第二部分、第8條款:除SH/T3007要求外,甲B、乙A類中間原料儲罐、芳烴類儲罐、輕污油儲罐、酸性水罐、排放氣中含有較高濃度油氣和硫化物等需對排放氣體進行收集治理的儲罐應設置氮氣密封系統。
綜合以上規范,得出以下危險化學品儲罐應設置氮封系統:
1、新建單罐容積大于等于1000m3的甲B類、乙類、操作溫度大于等于120℃的丙類內浮頂和固定頂儲罐;
2、儲存苯乙烯、丙烯腈等易聚合、易氧化的物料儲罐;
3、含油污水儲罐、酸性水儲罐、輕污油儲罐、儲存溫度超過120℃的重油固定頂儲罐;
4、設置油氣收集系統的儲罐;
5、儲存沸點低于45℃或真實蒸氣壓小于76.6kPa的甲B類液體的壓力儲罐、低壓儲罐或降溫常壓儲罐;
6、儲存毒性為高度和極度危害的甲B、乙A類液體的內浮頂儲罐;
7、儲存溫度超過120℃的重油固定頂罐;
8、單罐容積不小于100m3,儲存甲B、乙A類液體的內浮頂罐(浮盤采用易熔材料)、固定頂罐或低壓儲罐。

氮封系統的布置
◆《HG20559-1993管道儀表流程圖設計規定儲罐基本單元模式》
第6.0.3.4條款:若呼吸閥用在氮封罐上時,氮氣的入罐位置應遠離呼吸閥并伸入罐內約200mm。
◆《SH/T3184-2017石油化工罐區自動化系統設計規范》
第4.2.1.10條款:低壓儲罐及需要氮氣等惰性氣體密封的儲罐,應在罐頂設置壓力變送器測量壓力,設置壓力表就地測量壓力。
第4.2.1.12條款:固定頂罐和內浮頂罐等需要氮氣等惰性氣體密封時,應設置氮封閥或壓力分程控制。
第4.2.1.13條款:氮封閥氮氣入口管道應設置壓力表。
第4.2.3.11條款:球罐需要氮氣等惰性氣體密封時,應設置壓力分程控制。
第5.4.5.1條款:對固定頂罐、內浮頂罐等存儲易揮發類液體的常壓、低壓儲罐,氮氣密封系統應設置氮封閥。
第5.4.5.2條款:氮封閥型式應為減壓式外取壓閥后壓力控制型。
第5.4.5.3條款:氮封閥應安裝在盡量靠近罐頂入口的氮氣管線上,外取壓管線的取源點宜設在罐頂,以便檢測罐內的真實壓力。
◆《SH/T3007-2014石油化工儲運系統罐區設計規范》
第5.1.3條款、5.1.9條款:采用氮氣或其他惰性氣體密封保護系統的儲罐,在儲罐通向大氣的通氣管上應設呼吸閥,呼吸閥上應安裝阻火器。
5.1.5采用氮氣或其他惰性氣體密封保護系統的儲罐應設事故泄壓設備,并應符合下列規定:
a)事故泄壓設備的開啟壓力應高于呼吸閥的排氣壓力并應小于或等于儲罐的設計正壓力;
b)事故泄壓設備應滿足氨封或其他惰性氣體密封管道系統或呼吸閥出現故障時保障儲罐安全的通氣需要;
c)事故泄壓設備可直接通向大氣;
d)事故泄壓設備宜選用直徑不小于DN500的緊急放空人孔蓋或呼吸人孔。
第5.1.7條款:呼吸閥的規格和數量可參照表5.1.7-1來確定。
綜合以上規范,可以得出氮封系統設計應采取以下布置:
1、對固定頂罐、內浮頂罐等存儲易揮發類液體的常壓、低壓儲罐,氮氣密封系統應設置氮封閥;
2、球罐需要氮氣等惰性氣體密封時,應設置壓力分程控制;
3、氮封閥氮氣入口管道應設置壓力表;
4、氮封閥應選用減壓式外取壓閥后壓力控制型;
5、氮封閥應安裝在盡量靠近罐頂入口的氮氣管線上,外取壓管線的取源點宜設在罐頂;
6、氮氣的入罐位置應遠離呼吸閥并伸入罐內約200mm;
7、儲罐罐頂應設壓力變送器、就地壓力表、呼吸閥、事故泄壓設備。
氮封系統的最佳實踐
危險化學品儲罐氮封系統典型設計方案一:

圖1 危險化學品儲罐氮封系統典型設計方案一
儲罐氮封系統設置先導式氮封閥組和限流孔板旁路,罐頂設置1臺單呼閥、1臺呼吸閥、1個緊急泄壓人孔。當罐內氣體壓力低于氮封閥開啟壓力時,氮封閥打開向罐內補入氮氣;當罐內氣體壓力達到氮封閥關閉壓力時,氮封閥關閉停止向罐內補入氮氣。當罐內氣體壓力高于單呼閥定壓時,單呼閥開啟向罐外排出氣體。呼吸閥外排壓力、緊急泄放閥定壓根據儲罐設計壓力確定。
當氮封閥需要檢修或出現故障時,使用限流孔板旁路給儲罐內短時間連續補充氮氣,當罐內壓力高于單呼閥、呼吸閥設定值時,先后啟動單呼閥、呼吸閥向外排氣。
危險化學品儲罐氮封系統典型設計方案二:

圖2 危險化學品儲罐氮封系統典型設計方案二
方案二將方案一中的單呼閥更換為了壓力控制閥(泄氮閥)。儲罐運行時,通過氮封閥、泄氮閥起到平衡儲罐壓力的作用,呼吸閥、緊急泄放閥僅在事故工況(如氮封閥失效、泄氮封失效、火災工況等)啟動,避免儲罐運行時呼吸閥頻繁動作,造成損壞。
注:危險化學品成品儲罐在裝卸車過程中,進/排液量大,儲罐氣相空間壓力波動頻繁,氮封系統宜設置泄氮閥,避免呼吸閥頻繁動作,減少呼吸閥故障率。危險化學品中間儲罐日常運行時,儲罐氣相空間壓力相對比較穩定,可以不設置泄氮閥。
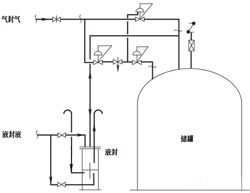
危險化學品儲罐氮封系統典型設計方案三:

圖3 危險化學品儲罐氮封系統典型設計方案三
《HG/T20570.16-95氣封的設置》第1.0.2.2條款:為防止泄壓閥和(或)氣封裝置失靈而出現儲罐內超壓或負壓情況,可采用液封和氣封裝置相結合的系統。
氣封裝置配備液封的作用
①當泄壓閥失靈時,液封可起到呼出氣體的作用。即當儲罐內壓力超過設定值時,儲罐內氣體可通過液封泄壓。
②當氣封裝置發生故障時,如儲罐內壓力高于設定值時,可通過液封泄壓,減輕泄壓閥負荷。
③當泄壓閥和氣封裝置同時故障,而儲罐內出現負壓時,可通過液封吸入空氣,保護儲罐不致變形損壞。
氮封系統的壓力設定
◆《SH/T3184-2017石油化工罐區自動化系統設計規范》
第5.4.5.4條款:氮封閥壓力設定點應為儲罐正常操作壓力,壓力設定值可調范圍的選擇應使設定點處于范圍的中段,并應能覆蓋最大操作壓力。
◆《SH/T3007-2014石油化工儲運系統罐區設計規范》
第3.5條款:采用氮氣密封保護的可燃液體儲罐,其操作壓力宜為0.2kPa~0.5kPa。
第5.1.4條款:呼吸閥的排氣壓力應小于儲罐的設計正壓力,呼吸閥的進氣壓力應高于儲罐的設計負壓力。
第5.1.5.(a)條款:事故泄壓設備的開啟壓力應高于呼吸閥的排氣壓力并應小于或等于儲罐的設計正壓力。

圖4 設計壓力為2.0kPa常壓儲罐各附件定壓值
氮封閥的工作原理

圖5 設計壓力為2.0kPa常壓儲罐各附件定壓值
設在罐頂的取壓點的介質經導壓管引入檢測機構(7),介質在檢測元件上產生一個作用力與彈簧預緊力相平衡。當罐內壓力降低至低于供氮裝置壓力設定點時,平衡破壞,使指揮器閥芯(6)打開,使閥前氣體經減壓閥(5)、節流閥(4)、進入主閥執行機構(3)上、下膜室,打開主閥閥芯(2),向罐內充注氮氣;當罐內壓力升至供氮裝置壓力設定點,由于預設彈簧力,關閉指揮器閥芯,由于主閥執行機構中彈簧作用,關閉主閥,停止供氮。
氮封系統現場典型問題及風險
企業開展PSSR(開車前安全審查)、安全技術診斷過程中發現,企業危險化學品常壓儲罐氮封系統存在以下問題:
①氮封閥位置設置不正確;
②氮封閥閥前壓力不足;
③氮封閥選型錯誤;
④氮封系統未設置氮封閥;
⑤儲罐壓力監測設備選型不正確。
危險化學品儲罐氮封系統具體問題
【問題1】:某客戶精醇中間儲槽氮封系統氮封閥設置在罐底氮氣管道。
氮封閥、取壓管均設置在精醇中間儲槽底部氮氣管道上,氮封閥取壓點與中間儲槽的真實壓力存在偏差。 違反《SH/T3184-2017石油化工罐區自動化系統設計規范》第5.4.5.3條款。
當沒有精醇進出儲槽時,供氮閥處于關閉狀態;此時供氮閥閥后檢測壓力高于儲罐的實際壓力;氮封閥達到開啟壓力0.2kPa時,儲罐內實際壓力小于0.2kPa,導致氮封閥開啟滯后。
在供氮閥關閉過程中,供氮閥檢測壓力高于儲罐的實際壓力;氮封閥達到關閉壓力0.5kPa時,儲罐內實際壓力小于0.5kPa,導致氮封閥提前關閉。
如果儲罐內精醇快速進出儲罐導致壓力驟變,氮封系統不能及時作出反應,無法及時調整氮氣的補充,無法有效維持儲罐內的壓力穩定,會出現呼吸閥頻繁動作的風險。
【問題2】:某客戶氮氣經總管調節閥減壓后壓力為5-15kPa,甲醇儲罐氮封閥設計閥前壓力為0.1MPa,氮封閥無法正常使用。
通過氮封閥的工作原理,我們可以看出當儲槽內壓力達到氮封閥開啟壓力時,指揮器閥芯打開,氮封閥進口氮氣經減壓閥、節流閥進入主閥執行機構上、下膜室,打開主閥閥芯。當氮封閥進口氮氣壓力低于設計壓力時,存在無法驅動打開氮封閥主閥閥芯的風險。
【問題3】:某客戶T-9100A/B/C甲醇儲罐氮封閥數據表閥后壓力設定為11kPa,呼吸閥呼氣壓力設定為1.35kPa,緊急泄壓人孔開啟壓力為1.8kPa,數據表中氮封閥選型錯誤。
氮封閥閥后壓力超出呼吸閥、緊急泄放人孔壓力,在氮封閥開啟過程中,儲罐頂部氣相空間短時間內迅速升高,氮封閥未來得及關閉時,呼吸閥、緊急泄壓人孔均已相繼動作。儲罐運行時,氮封閥、呼吸閥、緊急泄壓人孔均處于開啟狀態。
【問題4】:某客戶甲醇儲罐氮封系統未設置氮封閥、緊急泄放閥,使用手閥控制。
氮封系統使用手閥控制,儲罐內持續通入氮氣,呼吸閥處于常開狀態,造成大量的氮氣浪費;另外,若手閥開度過大,儲罐氣相壓力升高,當呼吸閥泄放量不能滿足要求時,儲罐存在超壓風險。
【問題5】:某客戶1#精甲醇儲槽罐頂設置了1臺壓力變送器(量程范圍為0-2.5kPa)、1臺現場就地壓力表(量程為0-1MPa),均未考慮負壓工況且壓力表量程范圍過大,量程選型錯誤。
原因分析及建議措施
以上問題的背后原因:問題1、問題2、問題5為企業舊儲罐經設計院正規設計改造增設氮封系統,問題3為新建儲罐氮封系統,設計院在設計氮封系統時未結合相關標準規范綜合研判風險,造成設計錯項;問題4為企業舊儲罐未經正規設計私自增設氮封系統,企業專業技術人員對氮封系統相關標準規范不熟悉,也未開展風險辨識,導致變更隱患帶入到生產運行中。
昌暉儀表希望通過《危險化學品儲罐氮封系統典型設計方案》這篇文章能夠給危險化學品企業帶來警醒,對危險化學品儲罐氮封系統相關標準規范、運行原理進行系統研究,綜合研判風險,避免此類問題重復發生。
作者:趙斌
