按串級控制設計準則:
①排液流量已經用傳感器測量;
②控制液位的閥門(最終控制元件)也可以控制排液流量;
③擾動影響液位控制,也會影響排液流量;
④排液流量對閥門位置變化的響應。
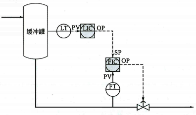
圖1為液位排液流量串級控制示意圖。串級控制有兩個PID控制器(液位控制器和排液流量控制器),兩個測量傳感器(測量液位和排液流量)和一個最終控制元件(排液管線上的調節閥)。

圖1 緩沖罐液位串級控制
驅動設定值的PID控制器(液位控制器)稱為主控制器。接收設定值的PID控制器(排液流量控制器)稱為副控制器。副控制器僅控制副過程變量,形成副控制回路。主控制器控制一個由副回路和主過程變量組成的廣義過程。可以明顯看出,副控制器的整定會影響主控制器控制的廣義過程的動態特性。所以串級控制PID參數整定應該從副控制器開始整定,然后將副控制器置于串級控制模式,再整定主控制器。
