工業廢液焚燒爐是一種將工業廢液進行高溫焚燒無害化處理的環保設備。根據爐本體的特征,常用的爐型有噴射焚燒爐、機械爐排焚燒爐、回轉窯焚燒爐和流化床焚燒爐等。
其一般由廢液儲存及輸送系統、輔助燃燒系統、供風系統、廢液燃燒器、燃燒控制系統、能 量回收系統、煙氣處理系統和尾氣檢測控制系統等部分組成。其中的燃燒控制系統是焚燒爐的核心組成部分,直接影響到焚燒爐的安全穩定運行。
中石化巴陵公司己內酰胺部廢液焚燒裝置是己內酰胺生產過程中的重要環保裝置,用于處理 來自環己酮裝置的皂化廢堿液和己內酰胺裝置的苯萃殘液及離交廢水經濃縮后的濃縮廢液,以實現達標排放,并副產固體堿和中壓蒸汽,具有良好的社會效益和經濟效益。新的廢液焚燒裝置于2017年開工建設,2018年10月建成投產,目前運行情況良好。本文簡要介紹該裝置的工藝流程,重點對其核心部分的燃燒控制系統的構成、控制過程以及安全保障等作詳細的闡述。
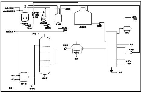
1、工藝流程
濃縮廢液與皂化廢堿液進入靜態混合器,經混合后進入預處理罐,由預處理攪拌器充分攪拌 中和,然后經廢液泵加壓送至皂化液儲槽。
儲槽內廢液經泵加壓送入皂化廢堿液噴槍,以微小液滴形式播散于爐內懸浮干燥,并在爐膛 空間進行燃燒(懸浮燃燒)。燃燒后的灰分隨煙氣至鍋爐尾部沉積或被電除塵器捕集回收。
回收的固堿中主要成份為Na2CO3。較大的顆粒在爐膛空間來不及燃燒,落到爐底墊層上燃盡(墊層燃燒),高溫下呈熔融狀由爐底溜子槽排入渣堿回收裝置回收渣堿。煙氣中的NOx和SO2通過脫硫脫硝技術,用稀氨水作為還原劑,氨將焚燒煙氣中的SO2吸收,與煙氣反應脫去氮氧化物,使排放的煙氣中達到國家標準。
皂化液在爐膛內燃燒必須有燃料油或天然氣助燃,當皂化廢堿液和燃料油(重油)在爐內燃 燒時,重油先經油加熱器加熱,再由油槍蒸汽霧化后噴入爐內燃燒;天然氣由界區外供給。爐內燃燒所需的O2由鼓風機送入空氣加熱器,經蒸汽加熱后,再分兩段送入爐內。
一次風由下部送入,起穩定熱源作用,二次風作為爐膛內的補充空氣,提高燃燒效果。油槍 配風供油槍或天然氣槍燃燒使用。
脫鹽水經鍋爐給水泵流經省煤器后進入上鍋筒,在上鍋筒內的汽水分離裝置將干飽和蒸汽送 出,供裝置使用并將富余蒸汽送入管網。簡要工藝流程示意圖見圖1。

圖1 工藝流程簡圖
2、燃燒控制系統
①燃燒器種類
燃燒器是各種加熱設備(鍋爐、烘干設備以及工業爐等)的核心部件,為相關過程提供熱量。燃燒器種類較多,根據燃料不同可以分為燃油燃燒器(重油和輕油燃燒器)、燃氣燃燒器(液化氣、工可燃尾氣和沼氣燃燒器)、油氣兩用燃燒器(既可以燃油,又可以燃氣的復合型燃燒器)以及煤粉燃燒器。
己內酰胺部廢液焚燒爐為復合型油氣燃燒器,運行時天燃氣和重油燃料二者取一,燃燒器配備燃油槍和燃氣槍,各槍可單獨燃燒,火焰均勻,拆卸方便,且各槍均能滿足設計負荷。
燃燒器在設計負荷調節比5:1范圍內和相應的過剩空氣系數條件下具有穩定的火焰,剛直有力,不舔爐管,不發飄;噴槍要求不泄露、不易堵塞以及不易結焦。
②燃燒控制系統構成
燃燒控制系統的作用是控制好焚燒爐的助燃系統,以確保廢液在爐內燃燒狀況良好。主要由 PLC控制器、燃氣(燃油)切斷閥、電磁閥、油氣燃燒器、廢液燃燒器、火焰檢測器以及檢漏裝置等構成。
③安全聯鎖控制方案
1)安全聯鎖控制方案
為了確保爐膛安全運行,8個燃氣(油)燒嘴的火焰檢測信號對爐膛安全運行起著至關重要的作用。一旦爐膛火焰熄滅,必須能及時切斷燃氣(油),防止可燃氣體或油霧進入電除塵室引起閃爆。
由于本廢液焚燒爐的工況特殊,爐膛產生的堿塊易砸熄火焰,為了既能盡量防止火焰檢測信號意外熄滅而引起聯鎖頻繁誤動作,又能保證安全,該聯鎖邏輯采用了8取3(8≈3)的聯鎖方式。即當8支燃氣(油)槍正常的火焰檢測信號少于或等于3時才聯鎖切斷燃氣總閥和供油泵。
另外如果氣泡壓力≥1.33MPa,氣泡液位≤10%時為了防止壓力容器氣泡超壓或干鍋引起爆裂,同樣需聯鎖切斷燃氣總閥和供油泵。具體聯鎖邏輯如下圖2(聯鎖條件啟動為“1”)。

圖2 安全控制聯鎖邏輯圖
2)節能控制方案
廢液焚燒爐供風系統采用2臺吹風機和2臺引風機,每種機組采用的是一開一備方式,當2臺吹風機或2臺引風機都停運時,應聯鎖停爐,即聯鎖切斷燃氣總閥和供油泵,防止燃氣(油)在爐膛內不能充分燃燒,造成能源浪費。具體聯鎖邏輯如下圖3。

圖3 節能控制聯鎖邏輯圖
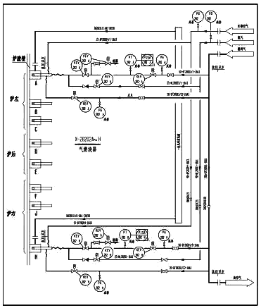
④點火控制過程
該焚燒爐共由八組燃燒控制系統組成,分別分布在爐左3個、爐右3個及爐后2個。由于每組的構成和控制方案完全一致,這里只闡述其中一組的控制過程,其它各組的控制過程完全相同。圖4為A組和H組的燃氣系統控制流程圖,圖5為A組和H組的燃油系統控制流程圖。

圖4 燃氣系統控制流程圖

圖5燃油系統控制流程圖
1)點火前的準備工作
管道必須清潔且已完成氣密、試壓要求;
如燒重質油,管道和油槍應該充分預熱,以保證燃油流動十分暢通;
調節爐前的蒸汽壓和油壓,使二者最好相等,或盡量靠近;
按常規打開煙道檔板及引風系統;向爐膛吹蒸汽10-15min,看到煙囪冒白煙,這時方可準備點火。
2)燃氣燃燒器點火程序
確認鍋爐引風機、鼓風機已開,系統各項條件具備;
打開燃燒器助燃風進行爐膛吹掃3-5min;
先由閥門檢漏裝置對主火管路燃氣切斷閥檢漏,確認無泄漏后準備點火;
啟動一鍵式點火按鈕,發出點火指令(DCS或就地控制柜);
先點長明燈:點火推進器進入位置,啟動高能點火裝置,在點火開始后的前5s內長明燈、燃氣切斷閥同時打開,5s結束后無論是否點燃長明燈,高能點火裝置總是停止工作。
此過程中火焰檢測器對火焰進行監測,若能檢測到火焰,則表示長明燈已經點著,燃氣切斷 閥保持打開狀態,并在控制系統指令下進入正常工作狀態,點火成功后點火推進器退出。
在整個長明燈燃燒過程中,火焰檢測器始終監測火焰,一旦熄火,立即切斷燃氣切斷閥,并 進行熄火報警。若高能點火裝置在5s點火過程結束后,火焰檢測器檢測不到火焰,即長明燈沒有點著,則立即關閉燃氣切斷閥,同時點火推進器退出。再重新用氮氣對爐膛進行吹掃 3~5min后,按以上程序重新點火;
長明燈點燃后,用長明燈對主氣槍進行點火。確認助燃風已打開后,開啟主氣槍,燃氣切斷閥,用長明燈進行點火,點火5s內,若主氣槍火焰檢測器檢測到火焰,表示氣槍已經點著,主火燃氣切斷閥繼續保持打開狀態,并在控制系統指令下進入正常工作狀態。
若5s內檢測不到火焰,則主火燃氣切斷閥關閉,待重新吹掃3-5min后,按以上程序對主氣槍重新點火。點火成功后讓小火燒5-10min,確認沒有問題就可按工藝要求進行調火。
3)燃油燃燒器點火程序
按上述點火方式先點燃長明燈;再點主油槍;開啟主油路切斷閥后,先手動打開一點點助燃風,再用手動閥開一點點霧化蒸汽,慢慢用手動閥開油直到火點燃。
如果沒點著火,應立即關閉油槍手動閥,蒸氣吹掃10-15min后,重復以上點火程序。點火成功后,主油槍火焰檢測器檢測到火焰,主油路切斷閥繼續保持打開狀態,并在控制系統指令下進入正常工作狀態。燒小火穩定10~20min,就可調火,直到火焰白亮明凈,長粗適宜。
4)噴液
觀察油(氣)槍的火焰燃燒狀況,如達到條件,即開啟廢液泵和閥門,向爐膛噴液焚燒。通 過調整廢液和蒸汽的流量,以達到最佳霧化效果,觀察噴液燃燒的火焰狀況,直到滿足要求為止。
以上控制過程均由PLC控制系統自動控制完成(手動操作部分除外),火焰運行狀態及各切斷閥的開關狀態均在DCS上進行實時監測顯示。
3、安全措施
一個全自動燃燒過程必須有自動吹掃、自動點火、熄火保護、漏氣檢測以及燃氣壓力、助燃空氣壓力保護等項安全措施。
①燃氣泄漏是最主要的危險因素,保證主燃氣閥的檢漏裝置準確無誤十分重要。
②燒嘴內設置穩焰板,點火電極置于回流區,保證點火順利和火焰的穩定,以防離焰和脫火,火焰與燒嘴金屬壁留有足夠的接觸面積。
③采用兩種檢測原理的火焰檢測器,即電離式和紫外光敏式,以確保監測可靠。火焰檢測器帶有自診斷功能,一旦故障,則自動切斷電源。對紫外火焰檢測器,要注意安裝的角度和離火焰的間距,既要防止盲區,又要防止被高溫燒壞。
④合理設置吹掃時間。每次點火前,必須吹掃充分,保證在爐膛內不形成爆炸性氣體。對燃氣燃燒器采用氮氣吹掃;對燃油燃燒器采用蒸汽吹掃。
⑤保證燃氣壓力和助燃風壓力的穩定,設置低壓保護聯鎖。
⑥選用質量可靠的PLC控制器、電磁閥、切斷閥、火焰檢測器等關鍵控制儀表設備。
⑦保證管道內清潔干凈,管路之間連接可靠并遠離熱源。
4、結語
焚燒爐的應用十分廣泛,將工業廢液、工業廢氣、固體廢棄物燃料、醫療垃圾以及生活廢品 等利用焚燒爐進行高溫燃燒,以達到無害化處理的目的,從而實現環境保護。
當然,對于不同的燃燒對象,選用的焚燒爐的形式也不盡相同,配用的燃料和燃燒控制系統 也有差異,但保證燃燒控制系統的穩定和安全運行是主要目標,燃燒效率和節能指標也要考慮,要求因爐施策,合理設計,正確使用。
作者:伍友武、姜衛平
