竣工文檔資料的整理,從施工單位角度來說,是項目收尾、資料歸檔的重要環節,便于日后的查閱與借鑒,同時也是公司項目經驗積累的重要組成部分;從最終用戶角度來說,是項目竣工之后日常維護、故障檢修、升級改造的重要依據。
竣工文檔資料主要包括:圖紙、文檔、手冊、軟件(授權)、終版程序等。
基本要求
1、文檔及相關資料應盡早提交,從而給業主單位專業對接的控制系統工程師充足的時間來審閱,有任何問題及時反饋整改,重新提交。否則,這些問題將記錄在整改(尾項)清單上,影響項目竣工驗收進度;項目尾款的支付也將滯后。
Document & related information should be submitted as early as possible, to give enough time to Control System Engineer to check and review. Any mismatched and unsatisfied will be reply as comments, and need to be re-submitted.Otherwise, these items will be added into Punch list even DRR list.
2、所有提交的文檔,要求是監理審核通過的版本。
All documents submitted should be the version approved by PMC.
3、清單類文檔,如:采購清單、備品備件清單、IO表等,不僅要求提交PDF版,同時還要提交Excel版本,便于后期信息匯總及設備管理。
For the “List type” document, not only “PDF” format but also the “Excel” format is needed, which is easy for summarizing and device management, such as “BOM”, “Spare Parts List”, “IO List” etc...
4、所有文檔資料放到如下目錄中對應的文件夾中刻錄成光盤,“軟件”相關直接提交原廠軟件光盤。
具體要求:
All the Document & related information should put into respective folder as below index and save in CD for submitting, “Software” related could directly submit the original software CD

①BOM 采購清單
采購清單應當包括但不限于以下內容:
Bill of Material, which should include but not limited to the following:
◆材料名稱 Materials Name
◆產品型號 Model number
◆產品編號(采購編號) Product Serial No.
◆材料數量 Materials Count
◆材料單位 Unit of Materials
◆生產廠家 Manufacture
…
注意:所有材料信息應當盡可能詳細,便于最終用戶在網上檢索到,以及備品備件的采購。
Note: All the Materials information should be as detailed as possible to let the End User easy to search online and purchase the spare part.
②產品手冊 Catalogues
由成產廠商編撰發布的,每一個模塊設備的相關官方資料手冊,包括但不限于以下內容:
Got from original Manufacture for each module and device, which should include but not limited to the following:
◆宣傳冊 Brochures
◆性能數據表 Data Sheets
◆使用手冊 Manuals
使用指導書 Guides
…
◆宣傳冊 Brochures
◆性能數據表 Data Sheets
◆使用手冊 Manuals
◆使用指導書 Guides
③網絡結構圖 Network Architecture Diagram
完整的控制系統網絡拓撲圖,包括但不限于以下內容:
Whole control system network topology Diagram, which should include but not limited to the following:
◆人機界面 HMI
◆控制器 CPU
◆IO機架 IO Rack
◆外部通訊網絡 External communication network
◆內部通訊網絡 Internal communication network
◆第三方通訊網絡 Third Party communication network
…

④網絡設備IP地址表 IP Address List
所有網絡設備的IP地址匯總 All Ethernet device IP address
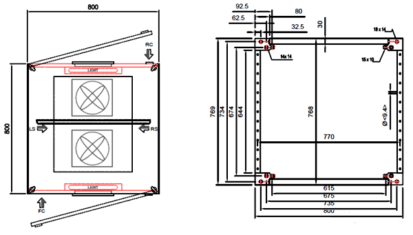
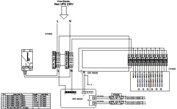
⑤機柜集成圖 Cabinet Integration Layout Drawing
由系統集成廠商提供,包括但不限于以下內容:
Provided by System Vender, which should include but not limited to the following:
◆機柜位置布局圖 Cabinet Location Arrangement Layout

◆機柜底座設計圖 Cabinet Plinth Diagram
◆機柜輪廓設計圖 Cabinet Outline Diagram

◆機柜接地設計圖 Cabinet Earthing Grounding Diagram

◆機柜供電設計圖 Cabinet Power Distribution Diagram

◆機柜內部布局圖 Cabinet Internal Device Layout

◆設備連接設計圖 Device connection wiring Drawing
◆端子接線圖 Terminal Assembly wiring Drawing
…
◆機柜位置布局圖 Cabinet Location Arrangement Layout
◆機柜底座、輪廓設計圖 Cabinet Plinth, Outline Diagram
◆機柜接地設計圖 Cabinet Earthing Grounding Diagram
◆機柜供電設計圖 Cabinet Power Distribution Diagram
◆機柜內部布局圖 Cabinet Internal Device Layout
◆設備連接設計圖 Device connection wiring Drawing

◆端子接線圖 erminal Assembly wiring Drawing
未完待續......
推薦閱讀
儀表設計施工圖內容
完整儀表施工圖的內容
儀表工程交工資料應有哪些內容
