德國PILZ皮爾茲公司是自動化領域知名安全繼電器制造商,該公司安全繼電器在很多行業使用。昌暉儀表在本文對Pilz安全繼電器PNOZ s5的使用做簡單介紹。

1、安全繼電器PNOZ s5的外觀及接線端子介紹
安全繼電器PNOZ s5屬于PNOZSigma家族,是具有延時功能的安全繼電器,它的外觀如下圖所示:
①模塊的上下各有8個接線端子,其中:
◆A1和A2是模塊電源的接線端子;
◆S11和S12是一組安全輸入通道的接線端子;
◆S21和S22是另外一組安全輸入通道的接線端子;
◆13/14是一組常開安全觸點,23/24是另外一組常開安全觸點,這兩組常開觸點是立即動作型(instantaneous);
◆37/38是一組常開安全觸點,47/48是另外一組常開安全觸點,這兩組常開觸點是延時斷開型(delay);
◆S34是復位信號的接線端子;
◆Y32是安全繼電器的輸出信號端子;
②中間部分有三個旋鈕,最上邊的用來設置安全繼電器的工作模式,下面兩個用來設置定時的時間;
③模塊中間靠左部分是6個LED指示燈,其中:
◆Power:模塊電源LED燈,電源接通時為綠色常亮;
◆In1:輸入通道1的LED燈,通道閉合時為綠色常亮;
◆In2:輸入通道2的LED燈,通道閉合時為綠色常亮;
◆Out:繼電器的輸出LED燈,當常開觸點閉合時為綠色常亮;
◆Reset:復位信號的LED指示燈;
◆Fault:故障信號LED指示燈,點亮時為紅色;
2、安全繼電器PNOZ s5的工作原理
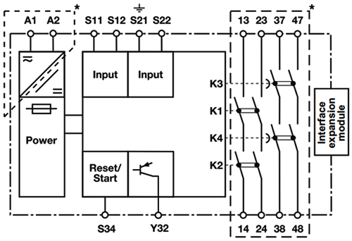
先來看下安全繼電器PNOZ s5的內部原理圖:

A1和A2是繼電器的電源接線端子,PNOZ s5有兩種電壓范圍的產品:
24V DC,訂貨號:750105,7511005和751185;
48-240V AC/DC,訂貨號:750135和751135;
S11/S12和S 21/S22為安全輸入通道,當兩路安全輸入通道都閉合,并且模塊A1/A2正常供電時,右側的四路常開觸點會閉合,此時Y32內部三極管導通,可向外提供24VDC電源,可連接到PLC的輸入通道;當安全輸入通道任何一路斷開時(比如按下急停按鈕或打開安全門),立即動作型常開觸點(13/14和23/24)會立即斷開,延時斷開型常開觸點(37/38和47/48)會延時設定的時間后斷開;當安全輸入通道再次閉合時,如果模塊設置為[自動復位]模式,則四路輸出通道(13/14、23/24、37/38、47/48)將立即閉合;如果模塊設置[手動復位]模式,則需要給S34端子一個電壓信號才能復位;
3、安全繼電器PNOZ s5的工作模式及復位方式
安全繼電器PNOZ s5的中間最上方的旋鈕可以用來設置模塊的工作模式及復位方式,如下圖所示:

①工作模式包括兩種:左側的"In2+"表示不帶觸點間短路檢測;右側的"In2-"表示帶觸點間短路檢測;
②每種工作模式下,都有四種復位的方式,如下圖所示:

4、安全繼電器PNOZ s5的定時設置
PNOZ s5可以設置時間來控制觸點37/38和47/48延時斷開。
定時時間=時間值×倍數;
時間值是旋鈕t[s]的指向的時間數值,單位為:秒;
倍數是旋鈕n指向的數值;
舉個例子:假設t[s]選擇30,n選擇10,則定時時間=30×10=300s,如下圖所示:

好了,關于Pilz安全繼電器PNOZ s5的使用說明就先介紹這么多,如果大家感興趣昌暉儀表后續會介紹具體使用例程(比如怎么接急停按鈕等)。
相關閱讀
安全繼電器知識講義
Bruce Desmond談安全繼電器選用
是否可以把安全繼電器換成普通繼電器
安全繼電器在水泥生產線安全控制中的應用
