近年來,中國對化工油品罐區(以下簡稱罐區)安全生產的要求不斷提高,安全儀表系統(SIS)作為一種重要的保護措施在罐區中的應用越來越廣泛。為了確保安全生產,對罐區進行系統的危險及風險分析,識別出罐區可能存在的重大風險和隱患,根據風險分析結果,完善安全保護措施,降低事故發生的概率,提高罐區的總體安全水平。作為SIS安全聯鎖的最終執行元件,緊急切斷閥的合理選型及安全運行至關重要。筆者依據某罐區改造項目,研究和總結了緊急切斷閥的選型設計及安全聯鎖方案,探討了其在罐區中的實際應用問題。
1、罐區緊急切斷閥和SIS的設置依據
罐區緊急切斷閥安裝于儲罐進出口管道上,遇到緊急情況時能夠通過SIS聯鎖或手動控制快速切斷,避免事故范圍擴大,減少事故損失。
原國家安全生產監督管理總局第121號文《化工和危險化學品生產經營單位重大生產安全事故隱患判定標準(試行)》中將“構成一級、二級重大危險源的危險化學品罐區未實現緊急切斷功能;涉及毒性氣體、液化氣體、劇毒液體的一級、二級重大危險源的危險化學品罐區未配備獨立的安全儀表系統”判定為重大生產安全事故隱患。
罐區緊急切斷閥與SIS的設置相輔相成,通過設置緊急切斷閥構建安全聯鎖保護系統,可實現緊急停車功能,有效維護罐區安全。
依據GB/T50770-2013《石油化工安全儀表系統設計規范》和IEC61511-1-2003 Functional Safety-Safety Instrumented Systems for the Process Industry Sector的規定,對罐區工藝過程進行過程危險和風險分析(HAZOP分析等),確定保護層需求,提出需設置報警和聯鎖的安全儀表功能(SIF)回路,通過保護層分析(LOPA)等方法確定各SIF回路的安全完整性等級(SIL),最終來配置SIS。對于未進行危險及風險分析和SIL等級評估的罐區,則應滿足原國家安全生產監督管理總局文件及相關規定,對涉及毒性氣體、液化氣體、劇毒液體的一級或二級重大危險源的罐區應配備獨立的SIS,SIL等級應按SIL2考慮。
2、罐區緊急切斷閥的選型設計
緊急切斷閥與普通開關閥的主要功能區別在于緊急切斷閥在發生事故時仍能執行動作且響應快速,因此在選型時對于緊急切斷閥的配置要求更高。筆者在設計過程中除了依據SH/T 3005-2016《石油化工自動化儀表選型設計規范》,還重點參考了《液化烴球罐緊急切斷閥選型設計規定》(中國石化建[2011]518號文),該規定對于緊急切斷閥的技術性能、閥門材質、執行機構選型、檢驗與測試等都做了比較詳細的規定。
2.1 閥體的選擇
球閥、閘閥和蝶閥均可用作罐區緊急切斷閥。球閥結構簡單、密封性好,但大口徑球閥價格較高,因此一般用于DN200及以下管道或要求管道全通徑的場合;蝶閥密封性能較差、價格便宜,但對于加工精度更高的三偏心高性能蝶閥,密封性能提高,造價也相應更高,總體性價比不高;閘閥密封性能好,啟閉省力,適用于大口徑管道,因此閘閥是罐區常用的閥門,儲罐進出口通常選用雙閘板閘閥,單閘板閘閥具有調節流量的性能,一般用于供料泵出口管道。
2.2 閥門執行機構的選擇
《液化烴球罐緊急切斷閥選型設計規定》中規定: 當罐區有可靠的儀表空氣系統時,應選用氣動緊急切斷閥;當罐區無儀表空氣系統、但有負荷分級為一級負荷的電力電源系統時,應選用電液執行機構或電動執行機構驅動的緊急切斷閥。在實際應用中,電動控制閥響應動作慢,且不能實現故障安全狀態,因此不建議作為緊急切斷閥使用,在無儀表氣源的情況下優先選用電液控制閥。當切斷閥的執行機構為氣動型時,首選故障安全型單作用氣缸執行機構;若采用氣動雙作用氣缸執行機構時應配儲氣罐;若必須采用電動型執行機構時,其電源應采用負荷分級為一級負荷中特別重要的電力電源供電。
2.3 關斷時間
關斷時間是緊急切斷閥的重要指標之一,文獻中規定: 緊急切斷閥的最大行程時間不應超過10s,而《液化烴球罐緊急切斷閥選型設計規定》中要求為“1s/英寸閥門通徑”。閥門口徑越大對關斷時間越不利,實際應用中應結合工藝要求選擇合適的關斷時間。對于氣動執行機構來說,關斷時間還與氣缸大小、氣源管路尺寸等因素有關。閥門廠家一般會根據實際工況進行核算,采取加大氣缸、增大氣源管徑或加裝氣控閥等措施滿足緊急切斷閥對關斷時間的要求。
2.4 防火設計
緊急切斷閥是否進行防火設計應根據工藝需求,《罐區隱患整改攻堅戰指導意見》(集團工單安風[2016]39號文)中指出: 需設置獨立SIS的儲罐,其進出口管道上的罐根閥-緊急切斷閥要采取防火措施,應具有手動操作功能。筆者認為罐區緊急切斷閥的防火設計是非常有必要的,原因是: 罐區儲存的介質具有易燃易爆的特性,發生火災事故的可能性極高,一旦發生火災事故危害性極強,而緊急切斷閥通常處于火災危險區域中,只有采取必要的防火保護措施才能保證其在發生火災的時候仍能發揮有效作用,確保罐區安全。結合文獻及《液化烴球罐緊急切斷閥選型設計規定》(中國石化建[2011]518號文),可采取的防火措施主要有以下幾點:
①緊急切斷閥的閥體、閥座、閥內件、閥蓋與填料的選用皆應符合API-607-2016《轉1/4周閥門和非金屬閥座閥門的耐火試驗》或API 6FA-1999《閥門耐火試驗規范》。文獻一般用于旋轉90°的閥門,如球閥、旋塞閥、蝶閥等,主要針對軟閥座閥門的耐火試驗;文獻是通用標準,可以用于硬密封閥門,設計中根據實際需要選擇。
②用于緊急切斷閥的執行機構及其附件應有防火保護措施,首選安裝防火保護罩。防火保護罩應符合UL1709-2007《結構鋼用保護材料的快速升溫燃燒試驗用標準》,能夠在1093℃的溫度下,抵抗烴類火災30min。
③對于氣動執行機構,若從經濟角度考慮不便安裝防火保護罩時,可以選擇在氣缸上加裝易熔塞。當發生火災時由于溫度急劇升高,氣缸溫度達到或超過易熔塞的熔點時,易熔塞熔化將氣缸內的壓力泄放掉,使另一側氣缸內的彈簧或儲氣罐內的壓縮空氣推動活塞將閥門自動關閉。
④在罐區防火堤外應設置緊急切斷閥的現場操作開關,其接點信號直接送至氣動執行機構的電磁閥或電液、電動執行機構的緊急停車系統(ESD)動作端子或相應的SIS,用于在緊急情況下現場手動開關緊急切斷閥。
⑤用于緊急切斷閥及現場操作開關的電纜應采取防火保護措施或采用防火電纜,保護控制信號的傳輸在發生火災初期不會立即中斷,確保發生火災時能及時切斷緊急切斷閥。
3、罐區緊急切斷閥的應用
昌暉儀表首先對工藝過程進行HAZOP分析,確定是否采用SIS作為SIF的保護層,然后利用LOPA分析方法確定各SIF回路的SIL等級,最后采用緊急切斷閥與儲罐液位儀表相結合構建安全聯鎖保護系統,實現罐區的安全監測與自動控制。
緊急切斷閥應具有自動和手動關閉功能,手動關閉功能包括控制室遙控關閉和現場手動關閉。當液位高高或低低報警時通過SIS完成聯鎖緊急切斷功能,及時切斷儲罐進出口管道上的進出口閥門,避免溢油冒罐或抽癟儲罐的情況發生;同時,在操作站設置緊急切斷閥的遠程控制開關,或在SIS輔操臺上設置緊急關閥按鈕,便于操作人員在發生火災或安全聯鎖失效等突發狀況時能夠遠程手動切斷閥門;另外,安裝于火災危險區域外的現場操作開關可以使現場人員在第一時間發現異常后及時切斷閥門,防止事故升級。
3.1 設計改造方案
以某苯罐區的改造設計為例。改造前工藝流程如圖1所示,該苯罐設置了1臺雷達液位計和1臺高高液位開關,罐進出口閥門為手動閥門。此時若儲罐發生溢油或火災事故,無法實現自動或遠程手動切斷儲罐進出口閥門,人工操作易產生時間滯后,而且會給操作人員帶來危險,進而造成不可估量的損失。
改造時昌暉儀表通過采用HAZOP分析和LOPA分析,確定苯罐應設置SIS保護層,各SIF回路的SIL等級應不低于SIL2,有兩種設計方案可選:方案一采用“1oo1”的邏輯結構,為儲罐增設1臺低低液位開關及進出口緊急切斷閥,并將高高、低低液位開關和進出口緊急切斷閥的檢測及控制信號接入獨立設置的SIS,當儲罐高高、低低液位報警時聯鎖切斷進、出口緊急切斷閥;方案二采用“2oo2”的邏輯結構,是對方案一的優化,如圖2所示,為儲罐再增設1臺過程級雷達液位計,與高高、低低液位開關分別組成“2oo2”安全聯鎖切斷進、出口緊急切斷閥的方案。方案二大幅提高了系統的可靠性和安全性,并可以有效地避免因液位開關故障而引起緊急切斷閥誤動作。通過優化比對,該項目采用方案二。

圖1 苯儲罐改造前工藝流程示意

圖2 苯儲罐改造后工藝流程示意
3.2 緊急切斷閥選型說明
3.2.1 執行機構
該罐區中已設有儀表凈化風線,因此緊急切斷閥選用氣動執行機構,單作用氣缸滿足氣源故障關(FC)的要求。
3.2.2 閥體及閥內件
該儲罐的進出口管道口徑為DN200,球閥或閘閥皆可以滿足使用要求,但從節省投資的角度考慮,閘閥更加經濟實用,因此設計選用了雙閘板閘閥,允許泄漏等級不低于ANSIB16.104 Class V級,滿足了罐區密閉性高的要求。對閥門材質的選擇則應滿足緊急切斷閥的防火設計要求,密封面采用硬密封,耐火設計應符合API 6FA,主要部件材質選型見表1所列。
表1 雙閘板閘閥材質
部件名稱 材質選擇
閥體/閥蓋 ASTM A216-WCB
閥板 ASTM A182-F316+STL
閥座 316SS+STL
閥桿 ASTM A276-420
填料 柔性石墨
密封 STL金屬密封
3.2.3 附件防火要求
根據前文分析,為保護緊急切斷閥的執行機構及其附件,該設計要求安裝符合UL1709標準的防火保護罩,比加裝易熔塞更加安全可靠。
為實現操作人員在緊急情況下能夠現場手動關閉緊急切斷閥,在罐區防火堤外設置了緊急切斷閥的現場操作開關,并將接點信號送至SIS,最終由SIS對緊急切斷閥發出關閉命令。為了確保信號安全有效地傳輸,信號電纜全部采用了防火電纜。
3.2.4 安全完整性等級
緊急切斷閥應具有不低于SIL2的等級認證,對雷達液位計、液位開關、SIS及系統卡件、繼電器等有同樣要求,以確保整個SIF回路不低于SIL2。
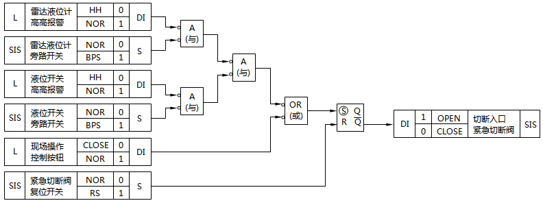
3.2.5 安全聯鎖邏輯
當儲罐高高液位報警時聯鎖切斷罐入口緊急切斷閥,安全聯鎖邏輯如圖3所示;當低低液位報警時聯鎖切斷罐出口緊急切斷閥并聯鎖停供料泵,安全聯鎖邏輯如圖4所示,當停泵對下游裝置無影響時可以聯鎖停,停泵邏輯在本文中不作詳述;現場操作開關信號先進SIS,再由SIS發出關閥命令,所有安全聯鎖控制皆通過SIS完成。若在控制室SIS輔操臺設置了緊急停車按鈕,則聯鎖邏輯中還應增加緊急停車按鈕DI信號。
通過設置緊急切斷閥和SIS,不但實現了進、出口閥門的遠程控制,而且增加了安全聯鎖保護措施,提高了罐區的安全性能,符合國家安全監管相關要求。

圖3 高高液位安全聯鎖邏輯示意

圖4 低低液位安全聯鎖邏輯示意
在罐區設置緊急切斷閥、構建安全聯鎖保護系統對于維護罐區安全生產,保護人員生命及財產安全等具有十分重要的意義,設計人員應做好緊急切斷閥的選型及安全聯鎖保護設計等工作,并在應用過程中通過不斷地探討與改進,使其應用更加合理化、規范化,充分發揮其在罐區安全保護方面的積極作用。
作者:陳麗君、李康康、賈玉明
相關閱讀
◆SIS系統選型步驟
◆如何設置DCS和SIS系統罐區液位和緊急切斷閥的報警和連鎖
