儀表人對儀表接地并不陌生,昌暉儀表在本文講講低壓配電IT系統、TT系統、TN系統的接地方式。這三種接地方式容易混淆,它們的原理、特點和適用范圍各有不同,希望能對廣大的儀表人有所幫助。
定義
根據現行的國家標準《低壓配電設計規范》(GB 50054-2011),低壓配電系統有IT系統、TT系統、TN系統三種接地形式。
①IT、TT、TN的第一個字母表示電源端與地的關系
T表示電源變壓器中性點直接接地;I標志電源變壓器中性點不接地,或通過高阻抗接地。
②IT、TT、TN的第二個字母表示電氣裝置的外露可導電部分與地的關系
T標志電氣裝置的外露可導電部分直接接地,此接地點在電氣上獨立于電源端的接地點;N表示電氣裝置的外露可導電部分與電源端接地點有直接電氣連接。
低壓配電系統IT、TT和TN全面剖析
1、IT系統
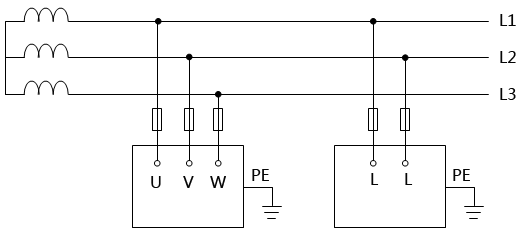
IT系統就是電源中性點不接地,用電設備外露可導電部分直接接地的系統。IT系統可以有中性線,但IEC強烈建議不設置中性線。因為如果設置中性線,在IT系統中N線任何一點發生接地故障,該系統將不再是IT系統。

圖1 IT系統接線圖
IT系統特點
①IT系統發生第一次接地故障時,僅為非故障相對地的電容電流,其值很小,外露導電部分對地電壓不超過50V,不需要立即切斷故障回路,保證供電的連續性;
②發生接地故障時,對地電壓升高1.73倍;
③220V負載需配降壓變壓器,或由系統外電源專供;
④安裝絕緣監察器。使用場所:供電連續性要求較高,如應急電源、醫院手術室等。
⑤IT方式供電系統在供電距離不是很長時,供電的可靠性高、安全性好。一般用于不允許停電的場所,或者是要求嚴格地連續供電的地方,例如電力煉鋼、大醫院的手術室、地下礦井等處。地下礦井內供電條件比較差,電纜易受潮。
⑥運用IT方式供電系統,即使電源中性點不接地,一旦設備漏電,單相對地漏電流仍小,不會破壞電源電壓的平衡,所以比電源中性點接地的系統還安全。但是,如果用在供電距離很長的情況下,供電線路對大地的分布電容就不能忽視了。
⑦在負載發生短路故障或漏電使設備外殼帶電時,漏電電流經大地形成架路,保護設備不一定動作,這是危險的。只有在供電距離不太長時才比較安全。這種供電方式在工地上很少見。
2、TT系統
TT系統就是電源中性點直接接地,用電設備外露可導電部分也直接接地的系統。通常將電源中性點的接地叫做工作接地,而設備外露可導電部分的接地叫做保護接地。TT系統中工作接地和保護接地必須是相互獨立的。設備接地可以是每一設備都有各自獨立的接地裝置,也可以若干設備共用一個接地裝置。

圖2 TT系統接線圖
TT系統主要優點
①能抑制高壓線與低壓線搭連或配變高低壓繞組間絕緣擊穿時,低壓電網出現的過電壓。
②對低壓電網的雷擊過電壓有一定的泄漏能力。
③與低壓電器外殼不接地相比,在電器發生碰殼事故時,可降低外殼的對地電壓,因而可減輕人身觸電危害程度。
④由于單相接地時接地電流比較大,可使保護裝置(漏電保護器)可靠動作,及時切除故障。
TT系統主要缺點
①低、高壓線路雷擊時,配變可能發生正、逆變換過電壓。
②低壓電器外殼接地的保護效果不及IT系統。
③當電氣設備的金屬外殼帶電(相線碰殼或設備絕緣損壞而漏電)時,由于有接地保護,可以大大減少觸電的危險性。但是,低壓斷路器(自動開關)不一定能跳閘,造成漏電設備的外殼對地電壓高于安全電壓,屬于危險電壓。
④當漏電電流比較小時,即使有熔斷器也不一定能熔斷,所以還需要漏電保護器作保護,因此TT系統難以推廣。
⑤TT系統接地裝置耗用鋼材多,而且難以回收、費工時、費料。
TT系統的應用
①TT系統由于接地裝置就在設備附近,因此PE線斷線的幾率小,且容易被發現。
②TT系統設備在正常運行時外殼不帶電,故障時外殼高電位不會沿PE線傳遞至全系統。因此,TT系統適用于對電壓敏感的數據處理設備及精密電子設備(如自動化儀表)進行供電,在存在爆炸與火災隱患等危險性場所應用有優勢。
③TT系統能大幅降低漏電設備上的故障電壓,但一般不能降低到安全范圍內。因此,采用TT系統必須裝設漏電保護裝置或過④電流保護裝置,并優先采用前者。
⑤TT系統主要用于低壓用戶,即用于未裝備配電變壓器,從外面引進低壓電源的小型用戶。
3、TN系統
TN系統即電源中性點直接接地,設備外露可導電部分與電源中性點直接電氣連接的系統。在TN系統中,所有電氣設備的外露可導電部分均接到保護線上,并與電源的接地點相連,這個接地點通常是配電系統的中性點。TN系統的電力系統有一點直接接地,電氣裝置的外露可導電部分通過保護導體與該點連接。TN系統通常是一個中性點接地的三相電網系統。其特點是電氣設備的外露可導電部分直接與系統接地點相連,當發生碰殼短路時,短路電流即經金屬導線構成閉合回路。形成金屬性單相短路,從而產生足夠大的短路電流,使保護裝置能可靠動作,將故障切除。如果將工作零線N重復接地,碰殼短路時,一部分電流就可能分流于重復接地點,會使保護裝置不能可靠動作或拒動,使故障擴大化。
在TN系統中,也就是三相五線制中,因N線與PE線是分開敷設,并且是相互絕緣的,同時與用電設備外殼相連接的是PE線而不是N線。因此我們所關心的最主要的是PE線的電位,而不是N線的電位,所以在中重復接地不是對N線的重復接地。如果將PE線和N線共同接地,由于PE線與N線在重復接地處相接,重復接地點與配電變壓器工作接地點之間的接線已無PE線和N線的區別,原由N線承擔的中性線電流變為由N線和PE線共同承擔,并有部分電流通過重復接地點分流。由于這樣可以認為重復接地點前側已不存在PE線,只有由原PE線及N線并聯共同組成的PEN線,原TN-S系統所具有的優點將喪失,所以不能將PE線和N線共同接地。
TN系統中,根據其保護零線是否與工作零線分開而劃分為TN-S系統、TN-C系統、TN-C-S系統三種形式。
◆ TN-C系統

圖3 TN-C系統接線圖
在TN-C系統中,將PE線和N線的功能綜合起來,由一根稱為PEN線的導體同時承擔兩者的功能。在用電設備處,PEN線既連接到負荷中性點上,又連接到設備外露的可導電部分。由于它所固有的技術上的種種弊端,現在已很少采用,尤其是在民用配電中,已基本上不允許采用TN-C系統。
TN-C系統的特點
①設備外殼帶電時,接零保護系統能將漏電電流上升為短路電流,實際就是單相對地短路故障,熔絲會熔斷或自動開關跳閘,使故障設備斷電,比較安全。
②TN-C系統只適用于三相負載基本平衡的情況,若三相負載不平衡,工作零線上有不平衡電流,對地有電壓,所以與保護線所連接的電氣設備金屬外殼有一定的電壓。
③如果工作零線斷線,則保護接零的通電設備外殼帶電。
④如果電源的相線接地,則設備的外殼電位升高,使中線上的危險電位蔓延。
⑤TN-C系統干線上使用漏電斷路器時,工作零線后面的所有重負接地必須拆除,否則漏電開關合不上閘,而且工作零線后面的所有重復接地必須拆除,否則漏電開關合不上閘,而且工作零線在任何情況下不能斷線。所以,實用中工作零線只能在漏電斷路器的上側重復接地。
◆ TN-S系統

圖4 TN-S系統接線圖
TN-S系統中性線N與TT系統相同。與TT系統不同的是,用電設備外露可導電部分通過PE線連接到電源中性點,與系統中性點共用接地體,而不是連接到自己專用的接地體,中性線(N線)和保護線(PE線)是分開的。TN-S系統的最大特征是N線與PE線在系統中性點分開后,不能再有任何電氣連接,這一條件一旦破壞,TN-S系統便不再成立。
TN-S系統的特點
①系統正常運行時,專用保護線上沒有電流,只是工作零線上有不平衡電流。PE線對地沒有電壓,所以電氣設備金屬外殼接零保護是接在專用的保護線PE上,安全可靠。
②工作零線只用作單相照明負載回路。
③專用保護線PE不許斷線,也不許進入漏電開關。
④干線上使用漏電保護器,所以TN-S系統供電干線上也可以安裝漏電保護器。
⑤TN-S方式供電系統安全可靠,適用于工業與民用建筑等低壓供電系統。
◆ TN-C-S系統

圖5 TN-C-S系統接線圖
TN-C-S系統是TN-C系統和TN-S系統的結合形式,在TN-C-S系統中,從電源出來的那一段采用TN-C系統。因為在這一段中無用電設備,只起電能的傳輸作用,到用電負荷附近某一點處,將EN線分開形成單獨的N線和PE線。從這一點開始,系統相當于TN-S系統。
TN-C-S系統的特點
①TN-C-S系統可以降低電動機外殼對地的電壓,然而又不能完全消除這個電壓。這個電壓的大小取決于負載不平衡的情況及線路的長度。要求負載不平衡電流不能太大,而且在PE線上應作重復接地。
②PE線在任何情況下都不能進入漏電保護器,因為線路末端的漏電保護器動作會使前級漏電保護器跳閘造成大范圍停電。
③對PE線除了在總箱處必須和N線連接以外,其他各分箱處均不得把N線和PE線相連接,PE線上不許安裝開關和熔斷器。
實際上,TN-C-S系統是在TN-C系統上變通的作法。當三相電力變壓器工作接地情況良好,三相負載比較平衡時,TN-C-S系統在施工用電實踐中效果還是不錯的。但是,在三相負載不平衡,建筑施工工地有專用的電力變壓器時,必須采用TN-S方式供電系統。
