1、按鈕互鎖正反轉控制電路的引入原因
電機正反轉控制電路一般用接觸器輔助觸點進行互鎖,正反轉控制電路可以在《儀表工必知的電動機正反轉控制電路原理及應用》文章中詳細了解。這個互鎖電路在電機改變轉向時必須先按停止按鈕,優點是接觸器卡住時不會造成電源短路故障,缺點是操作不方便,換向時必須先按停止按鈕才能操作。

說明:圖中FU1-FU5為熔斷器,SB1為紅色停止按鈕,SB2為綠色正轉起動按鈕,SB3為綠色反轉起動按鈕,FR為熱繼電器,KM1為正轉接觸器、KM2為反轉接觸器。
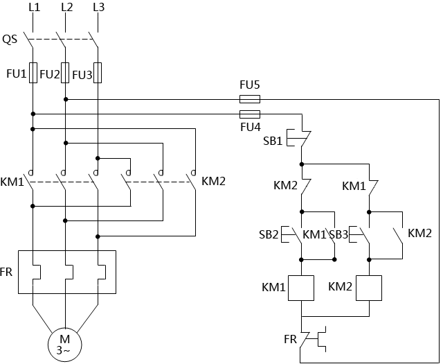
那么怎樣解決電機正反轉輔助觸點互鎖電路使用不方便的問題?昌暉儀表給出的方法就是將改為按鈕互鎖正反轉控制電路,操作更方便。

說明:圖中FU1-FU5為熔斷器,SB1為紅色停止按鈕,SB2為綠色正轉起動按鈕,SB3為綠色反轉起動按鈕,FR為熱繼電器,KM1為正轉接觸器、KM2為反轉接觸器。
2、按鈕互鎖正反轉控制電路的保護措施
①短路保護
短路保護由FU1-FU5構成,熔斷器FUI-FU3實現主電路的短路保護,FU4-FU5實現控制電路的短路保護。
②失壓保護
失壓保護由接觸器自鎖構成。當電源電壓消失時,接觸器各觸頭自動復位,起到斷開電路的作用。
③過載保護
過載保護由熱繼電器常閉觸頭實現。當三相電動機在運行中電流超過設置的額定值時,FR常閉觸頭斷開,從而切斷控制電路,使KM1或KM2線圈失電,從而切斷主電路。
④互鎖保護
互鎖保護由正轉起動按鈕常閉觸頭和反轉起動按鈕常閉觸頭構成。當啟動正轉接觸器KM1支路時,正轉起動按鈕常閉觸頭斷開,使反轉接觸器KM2支路不能得電,實現對KM2支路的互鎖;反之亦然。
3、按鈕互鎖正反轉控制電路的優點和缺點
①按鈕互鎖電機正反轉控制電路的優點
改變轉向時不用按停止按鈕。
②按鈕互鎖電機正反轉控制電路的缺點
當接觸器出現卡住時,如操作轉換方向,會造成電源短路的故障。用硬接線方式實現電動機正反轉控制,昌暉儀表還是建議使用使用接觸器輔助點進行互鎖,以免接觸器卡住時反生電源短路故障。
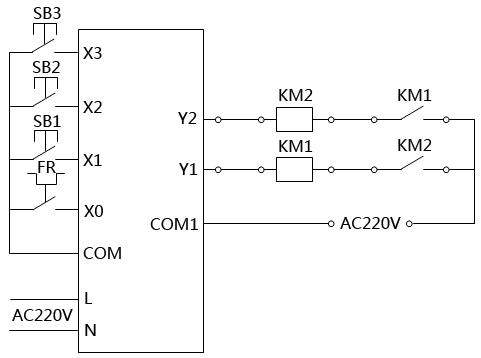
4、根據按鈕互鎖正反轉控制電路進行PLC控制設計
①PLC的I/O分配設計

停止按鈕SB1,信號從X1輸入;啟動按鈕SB2和SB3,信號從X2、X3輸入;熱繼電器FR的信號從X0輸入;KM1、KM2為接觸器線圈,對應于PLC內部編程元件為Y1、Y2,信號從Y1、Y2端輸出。
②PLC硬件連接,外部接線

③PLC梯形圖

④PLC指令語句

電氣控制電路是PLC實現功能的基礎,熟悉電路圖是PLC入門的基礎!電路圖對應邏輯指令的轉化在學習的時候可以一步步分析,由淺入深,先易后難。學習PLC技術同時,也要掌握PLC和各種儀表的選型和配置,可以到http://m.fg316.com/product/了解和訂購相關產品。
相關閱讀
儀表工必會的8個PLC基本控制線路與梯形圖
PLC梯形圖程序與電氣控制的梯形圖程序的五點區別
梯形圖、指令表、結構化文本和功能塊圖這四種PLC編程方式比較
