網絡多功能電力儀表是針對電力系統、工礦作業等電力監控需求而設計的智能表,作為一種先進的智能化、數字化的前端采集元件,應用于各種控制系統和能源管理中。現利用其數值測量精確性及與指針式電流表監測瞬間電流明顯的特點,完成高壓電動機的空載試驗中測量回路中各項數據的測試,改善了只用指針表在高壓電動機試驗測量回路中功能不完善的情況。
1、改造前的系統工況
遼陽石化公司儀表廠電修車間變電所高壓系統為6kV單母線運行方式,其中配出兩套高壓電機試驗回路,分別為試驗電機功率在500kW以下和500kW至1100kW兩套系統。原有的電流測量回路中三相指針式電流表既測試啟動電流值又測量空載電流值,當被試高壓電動機的容量從幾百千瓦到幾千千瓦變化時,電流表由于在選擇上不僅要考慮啟動電流大的因素,而且還要兼顧測量空載運行時小電流值的問題。此時,大量程的指針電流表在測量較小的空載電流時誤差很大。因此,單存的三相指針式電流不能滿足試驗的要求。
①原系統配置原系統中500kW以下電機試驗回路電流互感器變比為100/5,三相指針式電流表為100A,6L2-100/5;500kW至1100kW電機試驗回路電流互感器變比為200/5,三相指針式電流表為200A,6L2-200/5。由于原有的二次系統中只有電流互感器與三相指針式電流表串聯,試驗時只能監測到電動機的啟動電流,一般啟動電流為電動機額定電流的4-7倍,空載試驗是為了滿足啟動時大的啟動電流的需要。因此,當測量空載運行時的三相空載電流值時,指針式電流表所指示的空載電流值已在盲區(空載電流值一般只占額定電流值的20%左右),無法正確測量到三相空載電流值,這樣測出的數據不論從三相空載電流值本身還是三相電流不平衡度角度來分析,誤差都非常大,是試驗要求所不允許的。
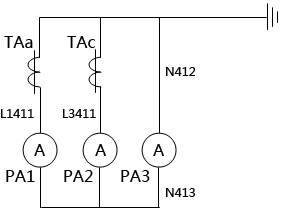
②原試驗系統二次電流測量回路
原系統二次電流測量回路為兩相電流互感器,三塊指針式電流表星形接線方式。二次電流測量原理見圖1。

③原試驗系統二次電壓測量回路
原系統的電壓測量回路中,二次電壓測量回路由三相電壓互感器、三塊指針式電壓表構成。原試驗系統二次電壓測量回路原理圖見圖2。

圖2 原試驗系統二次電壓測量回路原理
2、系統改造方案
①網絡多功能儀表YR-GFE-9S4K的選擇
現將YR-GFE-9S4K網絡多功能電力儀表引入至二次電流、電壓測量回路中。技術參數選擇是根據系統兩個電機試驗回路均為三相電壓互感器、二相電流互感器的配置;分別選擇兩塊具有三相參數測量功能及顯示的YR-GFE-9S4K電力儀表,輸入電壓均為100V,輸入電流變比分別為100/5及200/5,網絡接線方式為三相三線制;輸出為兩路輸出,測量精度為0.2級的兩塊儀表,使其滿足準確測量空載試驗中通過指針表對大的啟動電流的監視和通過YR-GFE-9S4K對小的空載電流的測量結果的要求。同時,此儀表還具有測量三相電壓、有功、無功、功率因數等功能。

②YR-GFE-9S4K電力儀表的編程與指針表的配合應用
網絡多功能電力數字表選擇后進行上電編程,進入編程菜單設置后,分別進入三個級別菜單中進行各項參數設置。接線時,保證網絡多功能儀表YR-GFE-9S4K的電流端子與原指針式電流表串聯,注意電流的流入和流出方向。多功能儀表的電壓端子與原指針式電壓表并聯。
a、1500kW電機試驗系統變送設置
500kW電機試驗系統二次電流、電壓測量回路中,根據系統中三相電壓互感器選擇設定儀表參數。
b、2500kW至1100kW電機試驗系統變送設置
500kW至1100kW電機試驗系統二次電流、電壓測量回路中,根據系統中三相電壓互感器選擇設定儀表參數。
③YR-GFE-9S4K電力儀表電流端子的連接
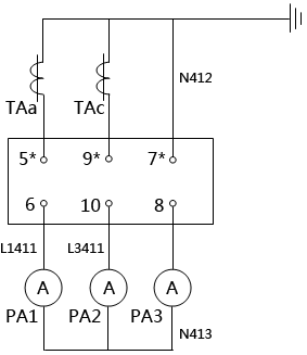
改造后的二次電流測量回路原理見圖3。

圖3 改造后的系統二次電流測量回路原理
在電流測量回路中,由于電流表與電流互感器之間的串聯關系,因此,現將YR-GFE-9S4K電力數字表的三相電流端子串接在原指針式電流表與電流互感器之間。接線時,YR-GFE-9S4K電力表的電流流入與電流流出方向與原電流表的串聯方向要正確,即YR-GFE-9S4K電力數字表的電流端子5*、9*、7*為電流流入端子,6、10、8端子為電流流出端子。在多功能電力儀表YR-GFE-9S4K電流端子接線中,當電流由A相CT流出后,電流由YR-GFE-9S4K電力數字表IA5*端子流入,經過多功能儀表后由IA6端子流出,后進入指針表電流表PA1中,當電流由C相CT流出后,電流由AYR-GFE-9S4K電力電力儀表IC9*端子流入,經過多功能儀表后由IC10端子流出,后進入指針表電流表PA2中,由于此系統為兩相CT,中線電流由IB流回,B相電流由指針表PA3流出后,進入YR-GFE-9S4K電力儀表IB7*端子,經過多功能電力儀表后,電流由IB8端子流出回到地端子。
④YR-GFE-9S4K儀表電壓端子的連接
由于二次電壓測量回路中,原指針式電壓表測量三相相電壓,同時要求電壓表之間必須并聯連接,因此接線時將YR-GFE-9S4K電力表的三相電壓端子1、2、3、4直接并聯在原來的三相指針式電壓表兩端,使指針表與YR-GFE-9S4K電力表的電壓端子并聯,通過指針式電壓表和數字儀表同時監測三相相電壓的數值。
接線時,原三相指針電壓表的電壓端子一端分別與YR-GFE-9S4K電力表的電壓端子1、2、3端子連接,而中線與YR-GFE-9S4K電力儀表的另一端電壓端子4連接,連接后回到地端子。改造后二次電壓測量回路原理圖見圖4。

圖4 改造后二次電壓測量回路原理圖
系統改造后,高壓電動機在空載試驗時,不僅在電動機啟動的過程中能通過指針式電流表監視電動機在啟動過程中的啟動電流的大小及偏差值,而且在從啟動轉入到空載運行后,能夠從網絡多功能儀表YR-GFE-9S4K確切地讀取三相空載電流值,并通過運算準確地確定三相空載電流不平衡度,從而精確地判斷出高壓電動機空載試驗中各項數值指標的準確性及可靠性,保證檢修后的高壓電動機出廠試驗合格的準確度。
網絡多功能電力儀表YR-GFE-9S4K在高壓電機試驗系統二次測量回路改造中的應用,滿足了被試驗高壓電動機功率范圍變化大時電動機啟動電流與空載電流的相互配合的需要,確保空載試驗中各項數據的精確測試,解決了被試驗電動機從指針表中監測較大的啟動電流及從YR-GFE-9S4K電力儀表中記錄測量空載電流值的測量。同時,完成高壓電機空載試驗中的其他各項數據指標的測量與監視。
改造后的兩套高壓電動機試驗系統,現承擔遼化公司各生產廠全部高壓電動機檢修后的出廠試驗工作。經過四年的應用,效果良好。
作者:郝冠杰、寇蕊、李敏、李亞男
