昌暉儀表YR-GAD人工智能調節器可通過RS485通訊接口以MODBUS通訊協議和組態王軟件平臺,本文闡述了YR-GAD人工智能調節器與組態王的通訊方法,文章詳細介紹了設備串口通訊參數、設備生產廠家、名稱、通訊方式配置,詳細闡述了昌暉YR-GAD人工智能調節器的功能參數與組態王的變量名稱、類型、寄存器、數據類型、讀寫屬性的對應關系,實現YR-GAD人工智能調節器78個參數集中管理,可視的操作界面。
1、人工智能調節器介紹
昌暉儀表生產的YR-GAD系列人工智能調節器采用微分先行的控制算法,控制精度高,無超調,具有模糊自整定功能。YR-GAD系列人工智能調節器為傻瓜式操作;0.2%測量精度;七款外尺寸;最多支持4路報警功能、2路控制輸出、2路DC24V饋電,支持采用標準MODBUS協議的RS485通訊接口;輸入端、輸出端、電源端光電隔離;100-240VAC/DC或20-29VAC/DC開關電源供電;標準卡入式安裝;可支持36種信號輸入功能。YR-GAD系列人工智能調節器適用溫度、壓力、流量、液位、濕度等工業過程量的監測,能配合各種執行器對電加熱設備和電磁、電動調節閥進行完美PID調節和控制。
2、通訊研究的硬件原理
①硬件原理接線

圖1 計算機與YR-GFD人工智能調節器硬件接線圖
計算機的串行通訊COM口與RS232與RS485轉換模塊的RS232端相連,YR-GAD人工智能調節器的RS485通訊端A、B與RS485轉換模塊的RS485端相連。
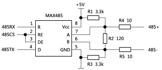
②YR-GAD人工智能調節器RS485接口原理
圖2 RS485接口電路原理圖

圖3 YR-GAD人工智能調節器RS485通訊接線端子
YR-GAD人工智能調節器RS485接口電路原理圖如圖2所示。接線端子如圖3所示。采用RS485信號收發專用芯片MAX485實現信號的轉換,在設計電路時要充分考慮MAX485芯片同相端、反相端的電平對應關系。由于從機回應數據幀的初始位-低電平使主機產生接受中斷,所以只有MAX485芯片同相端A的初始電平大于反相端B的初始電平時,才能保證主控制器單片機打開接收中斷時不會產生誤中斷,而造成接到錯誤的數據幀。
a、收發方可用AT485接口芯片實現RS485/RS422協議的通信。AT485接口芯片工作于+5V電壓,內含一個收發器,將TTL/CMOS電平與RS485/RS422標準電平相互轉換。通信最高速率可達2.5Mb/s,距離最遠可達1200m。
b、MAX485芯片引腳說明及符號如下:
1腳(R):接收器數據輸出引腳,當A引腳電平高于B引腳200mV以上時,認為收到信號為1;當A引腳電平低于B引腳200mV以上時,認為信號為0。但僅當接收器輸出使能引腳-RE有效時,R0才有輸出,否則為高阻態。接收器輸入開路時認為收到信號為1。
2腳(RE):接收器輸出使能引腳,控制接收器數據輸出引腳R可否輸出數據。
3腳(DE):驅動器輸出使能引腳,控制驅動器數據輸入引腳D能否送入數據,低電平時驅動器輸出高阻態。驅動器的高阻態可用于讓出總線,供總線上的另一通信方使用。
4腳(D):驅動器數據輸入引腳,驅動器輸出使能引腳DE有效時,若送入1,差分輸出A為高,B為低;送入0時,差分輸出A為低,B為高。DE無效時,驅動器的差分輸出為高阻態。
6(B)、7(A)腳:驅動器的差分輸出與接收器的差分輸入引腳,其中A為同相引腳,B為反相引腳。
5(GND)、8(VCC)腳:地、正電源引腳。
③RS485與RS232轉換模塊原理

圖4 RS485與RS232轉換模塊連接器圖
RS485與RS232轉換模塊連接器圖如圖4所示。RS485與RS232轉換模塊將RS232C串行口的數據發送(TD)和數據接收(RD)信號轉換成平衡的半雙工RS485信號,實現遠距離多點總線通信。
◆ RS485與RS232轉換模塊性能參數如下:
a、接口:兼容EIA/TIA的RS-232C和RS-485標準。
b、傳輸速率:300M時到115.2KBPS;1200M時到19.2KBPS;2400M時到9600KBPS;3公里時到2400KBPS。
c、傳輸距離:最大5公里(1200KBPS)
RS485與RS232轉換模塊DB9針母頭連接器與計算機上的RS232 COM口相連。其中7、8引腳1、4、6引腳短接;另一端DB9針公頭連接器與YR-GAD人工智能調節器RS485接口相連。接口定義如表1、2所示。
表1 RS232引腳定義
D9針(母頭) RS232C
1 DCD
2 TD
3 RD
4 DIR
5 GND
6 DSR
7 RTS
8 CTS
表2 RS485引腳定義
D9(公頭) RS485
1 485+
2 485-
3 GND
④計算機上RS232通訊接口原理
計算機上RS232通訊接口左上角為1,右下角為9。
RS232接口是1970年由美國電子工業協會(EIA)聯合貝爾系統、調制解調器廠家及計算機終端生產廠家共同制定的用于串行通訊的標準。它的全名是“數據終端設備(DTE)和數據通訊設備(DCE)之間串行二進制數據交換接口技術標準”。 該標準規定采用一個25個腳的DB25連接器,對連接器的每個引腳的信號內容加以規定,還對各種信號的電平加以規定。隨著設備的不斷改進,出現了代替DB25的DB9接口,現在都把RS232接口叫做DB9。傳輸距離有限,最大傳輸距離標準值為50英尺,實際上也只能用在15米左右。計算機上RS232通訊接口采用DB9針公頭,引腳定義如表3所示。
表3 計算機上RS232引腳定定義
D9針(公頭) RS232
1 DCD載波檢測
2 RXD接收數據
3 TXD發送數據
4 DTR數據終端準備好
5 SG信號地
6 DSR數據準備好
7 RTS請求發送
8 CTS允許發送
9 RI振鈴提示
3、通訊方法的軟件原理
①通訊方法組態
Modbus是由Modicon(現為施耐德電氣公司的一個品牌)在1979年發明的,是全球第一個真正用于工業現場的總線協議。此協議支持傳統的RS232、RS422、RS485和以太網設備。許多工業設備,包括PLC、DCS、智能儀表等都在使用Modbus協議作為他們之間的通訊標準。
◆ Modbus具有以下幾個特點:
a、標準、開放,用戶可以免費、放心地使用Modbus協議,不需要交納許可證費,也不會侵犯知識產權。目前,支持Modbus的廠家超過400家,支持Modbus的產品超過600種。
b、Modbus可以支持多種電氣接口,如RS232、RS485等,還可以在各種介質上傳送,如雙絞線、光纖、無線等。
c、Modbus的幀格式簡單、緊湊,通俗易懂。用戶使用容易,廠商開發簡單。
組態軟件選用北京亞控科技發展有限公司的組態王軟件6.55。它是運行在WindowsNT/2000/XP中文操作系統上的一種組態軟件。它具有完善的圖形界面生成功能,可以形象逼真的描繪工業現場。提供了功能齊全的控件和控件函數以及多種I/O驅動程序。
②組態王通訊參數和設備配置
A、通訊參數

圖5 組態王通訊參數配置圖
組態王通訊參數配置圖如圖5所示。波特率:9600;數據位:8;奇偶效驗:無效驗;停止位:1;通信超時:3000毫秒;通信方式:RS485。
B、設備配置

圖6 組態王通訊設備配置圖
組態王通訊設備配置圖如圖6所示。設備生產廠家:莫迪康生產的MODBUS RTU;設備邏輯名稱:昌暉調節器;設備地址:1;通信方式:COM。
◆MODBUS功能與人工智能調節器驅動支持寄存器對應關系
MODBUS功能與人工智能調節器驅動支持寄存器對應關系表如表4所示。
表4 組態王的變量與YR-GAD人工智能調節器
功能碼 名稱 作用 相關寄存器
01 讀取線圈狀態 取得一個邏輯線圈的當前狀態 0
02 讀取輸入狀態 取得一個開關輸入的當前狀態 1
03 讀取保持寄存器 在一個或多個保持寄存器中取得當前的二進制值 4
04 讀取輸入寄存器 在一個或多個輸入寄存器中取得當前的二進制值 3
05 強制單線圈 強置一個邏輯線圈的銅端狀態 0
06 預置單寄存器 把具體二進制值裝入一個操持寄存器 4
15 強制多線圈 強置一串連續邏輯線圈的通斷 FMC
對于只讀寄存器,請將采集頻率設置為0;寄存器3,如果客戶需要讀取Byte數據類型,需要定義二級通道,分別表示字的高字節和低字節;寄存器4讀功能碼為03;寫單字節(Short,Ushort,BCD)的功能碼為06;寫雙字節(Long,Float,LongBCD)的功能碼為0×10;驅動的變量后的寄存器通道號(寄存器范圍),是按照以1為起始地址的。對于以1為起始地址的設備,定義變量應該加1。
◆組態王的變量與智能調節器保持寄存器對應關系
組態王的變量與YR-GAD人工智能調節器78個保持寄存器對應關系見表5所示。
表5 組態王的變量與YR-GAD人工智能調節器保持寄存器對應關系
序號 變量名稱 變量類型 寄存器 數據類型 讀寫屬性
1 測量通道測量值 I/O實數 4001 FLOAT 只讀
2 PID設定值 I/O實數 4003 FLOAT 讀寫
3 閥位反饋值 I/O實數 4005 FLOAT 只讀
4 輸出值 I/O實數 4007 FLOAT 只讀
5 第一報警狀態 I/O整數 4009 USHORT 只讀
6 第二報警狀態 I/O整數 4010 USHORT 只讀
7 第三報警狀態 I/O整數 4011 USHORT 只讀
8 第四報警狀態 I/O整數 4012 USHORT 只讀
9 當前手動操作 I/O整數 4013 USHORT 讀寫
10 儀表類型 I/O整數 4030 USHORT 只讀
序號 變量名稱 變量類型 寄存器 數據類型 讀寫屬性
11 設定密碼 I/O整數 4031 SHORT 讀寫
12 第一報警值 I/O實數 4032 FLOAT 讀寫
13 第二報警值 I/O實數 4034 FLOAT 讀寫
14 第三報警值 I/O實數 4036 FLOAT 讀寫
15 第四報警值 I/O實數 4037 FLOAT 讀寫
16 控制環斷線報警值 I/O實數 4040 FLOAT 讀寫
17 第一報警回差 I/O實數 4041 FLOAT 讀寫
18 第二報警回差 I/O實數 4043 FLOAT 讀寫
19 第三報警回差 I/O實數 4045 FLOAT 讀寫
20 第四報警回差 I/O實數 4047 FLOAT 讀寫
序號 變量名稱 變量類型 寄存器 數據類型 讀寫屬性
21 比例P I/O實數 4049 FLOAT 讀寫
22 微分時間I I/O整數 4051 USHORT 讀寫
23 微分時間D I/O整數 4052 SHORT 讀寫
24 PID運算周期 I/O整數 4053 SHORT 讀寫
25 輸出周期 I/O整數 4054 USHORT 讀寫
26 自整定 I/O整數 4055 USHORT 讀寫
27 抑制系數 I/O整數 4056 FLOAT 讀寫
28 測量通道信號類型 I/O整數 4058 USHORT 讀寫
29 測量通道小數點 I/O整數 4059 USHORT 讀寫
30 第一報警方式 I/O整數 4060 USHORT 讀寫
序號 變量名稱 變量類型 寄存器 數據類型 讀寫屬性
31 第二報警方式 I/O整數 4061 USHORT 讀寫
32 第三報警方式 I/O整數 4062 USHORT 讀寫
33 第四報警方式 I/O整數 4063 USHORT 讀寫
34 測量通道閃爍報警 I/O整數 4064 USHORT 讀寫
35 測量通道濾波系數 I/O整數 4065 USHORT 讀寫
36 設備號 I/O整數 4066 USHORT 讀寫
37 通訊波特率 I/O整數 4067 USHORT 讀寫
38 報警打印功能 I/O整數 4068 USHORT 讀寫
39 定向打印間隔時間 I/O整數 4069 SHORT 讀寫
40 測量通道單位 I/O整數 4070 USHORT 讀寫
序號 變量名稱 變量類型 寄存器 數據類型 讀寫屬性
41 PID正反作用方式 I/O整數 4071 USHORT 讀寫
42 PID輸出類型 I/O整數 4072 USHORT 讀寫
43 PID顯示方式 I/O整數 4073 USHORT 讀寫
44 PID算式類型 I/O整數 4074 USHORT 讀寫
45 控制方式 I/O整數 4075 USHORT 讀寫
46 閥門類型 I/O整數 4076 USHORT 讀寫
47 閥位行程時間 I/O整數 4077 USHORT 讀寫
48 正反轉手動方式 I/O整數 4078 USHORT 讀寫
49 閥位控制輸出會差值 I/O實數 4079 FLOAT 讀寫
50 上電手自動狀態 I/O整數 4081 USHORT 讀寫
序號 變量名稱 變量類型 寄存器 數據類型 讀寫屬性
51 PID輸出下限 I/O實數 4082 FLOAT 讀寫
52 PID輸出上限 I/O實數 4084 FLOAT 讀寫
53 測量通道零點遷移 I/O實數 4086 FLOAT 讀寫
54 測量通道量程比例 I/O實數 4088 FLOAT 讀寫
55 測量通道冷端零點遷移 I/O實數 4090 FLOAT 讀寫
56 測量通道冷端放大比例 I/O實數 4092 FLOAT 讀寫
57 變送輸出零點遷移 I/O實數 4094 FLOAT 讀寫
58 變送輸出放大比例 I/O實數 4096 FLOAT 讀寫
59 控制輸出零點遷移 I/O實數 4098 FLOAT 讀寫
60 控制輸出放大比例 I/O實數 4100 FLOAT 讀寫
序號 變量名稱 變量類型 寄存器 數據類型 讀寫屬性
61 變送輸出量程下限 I/O實數 4102 FLOAT 讀寫
62 變送輸出量程上限 I/O整數 4104 FLOAT 讀寫
63 測量通道閃爍報警下限 I/O整數 4106 FLOAT 讀寫
64 測量通道閃爍報警上限 I/O整數 4108 FLOAT 讀寫
65 PV光柱顯示下限 I/O整數 4110 FLOAT 讀寫
66 PV光柱顯示上限 I/O整數 4112 FLOAT 讀寫
67 測量通道測量量程下限 I/O整數 4114 FLOAT 讀寫
68 測量通道測量量程上限 I/O整數 4116 FLOAT 讀寫
69 測量通道小信號切除 I/O整數 4118 FLOAT 讀寫
70 閥位反饋/給定信號 I/O整數 4120 USHORT 讀寫
序號 變量名稱 變量類型 寄存器 數據類型 讀寫屬性
71 閥位反饋/給定小數點 I/O整數 4121 USHORT 讀寫
72 閥位反饋/給定濾波系數 I/O整數 4122 USHORT 讀寫
73 閥位反饋/給定遷移零點 I/O實數 4123 FLOAT 讀寫
74 閥位反饋/給定遷移比例 I/O實數 4125 FLOAT 讀寫
75 SV光柱下限值 I/O實數 4127 FLOAT 讀寫
76 SV光柱上限值 I/O實數 4129 FLOAT 讀寫
77 閥位反饋/給定量程下限 I/O實數 4131 FLOAT 讀寫
78 閥位反饋/給定量程上限 I/O實數 4133 FLOAT 讀寫
昌暉YR-GAD系列人工智能調節器與組態王的通訊研究,從硬件和軟件兩方面入手,全面闡述了人工智能調節器與組態王的通訊方法,通過組態王軟件平臺與所支持的MODBUS協議及RS485通訊接口,將代表YR-GAD人工智能調節器控制功能的78個控制參數采集到計算機控制系統里來,為工業自動控制系統的數據采集與監控控制打下基礎。
大家可通過YR-GAD人工智能調節器選型頁面http://m.fg316.com/product/979.html了解人工智能調節器詳盡技術參數,將這種高貴而不貴的產品應用于自動化過程控制中。
作者:遼寧機電職業技術學院自動控制系 李冬冬
