1、電壓互感器各端子的標志
單相電壓互感器一次側端子為U、X,二次側為u、x;三相電壓互感器一次側端子為U、V、W,二次側為u、ⅴ、w、0。電壓互感器具有首端標志u的端子應和儀表的相線端連接,末端x接地并與儀表中性線端連接。
2、電壓互感器的接線
①一個單相電壓互感器的接線
一個單相電壓互感器的接線如圖1所示。供儀表、繼電器接于一個線電壓。

圖1 一個單相電壓互感器的接線
②兩個單相電壓互感器V/V接線
兩個單相電壓互感器V/V接線如圖2所示。供儀表、繼電器接于三相三線制電路的各個線電壓。它廣泛地應用在變電所、配電所6-10kV高壓配電裝置中。

圖2 兩個單相電壓互感器V/V接線
③三個單相電壓互感器Y0/Y0接線
三個單相電壓互感器Y0/Y0形如圖3所示。供電給要求線電壓的儀表、繼電器,并供給接相電壓的絕緣監視電壓表。

圖3 三個單相電壓互感器Y0/Y0接線
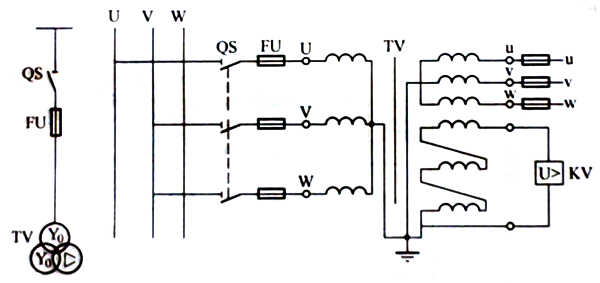
④三個單相三繞組電壓互感器或一個三相五心柱三繞組電壓互感器Y0/Y0/△(開口三角)接線
接線如圖4所示。接成Y0的二次繞組,供給需要線電壓的儀表、繼電器,以及絕緣監視電壓表;輔助二次繞組接成開口三
角形,構成零序電壓過濾器,供給監視線路絕緣的電壓繼電器。

圖4 三個單相繞組電壓互感器或一個三相五心柱三繞組電壓互感器Y0/Y0/△接線
3、電壓互感器正確接地
①電壓互感器二次回路的接地和電流互感器二次回路的接地一樣,只能在電壓互感器二次回路上一點接地,不能兩點(或多點)接地,以免形成短路。
電壓互感器,幾種常見接地點的作用。電壓互感器的接地方式通常有三種:第一種是一次側中性點接地;第二種是二次側線圈接地;第三種是互感器鐵心接地。三種接地的作用不盡相同。
①一次側中性點接地
由三只單相電壓互感器組成星形接線時,其一次側中性點必須接地,如圖5所示。因為電壓互感器在系統中不僅有電壓測量作用,而且還起繼電保護的作用。

圖5 三只單相電壓互感器組成星形接線
當系統中發生單相接地故障時,系統中會出現零序電流。如果一次側中性點沒有接地,那么一次側就沒有零序電流通路,二次側開口三角形線圈兩端也就不會感應出零序電壓,繼電器KV就不會動作,發不出接地信號;對于三相五柱式電壓互感器,其一次側中性點同樣要接地;由兩只單相電壓互感器組成的V-V形接線時,其一次側是不允許接地的,因為這相當于系統的一相直接接地。而應在二次中性點接地,如圖1所示。
②二次側接地
電壓互感器二次側要有一個接地點,這主要是出于安全上的考慮。當一、二次側繞組間的絕緣被高壓擊穿時,一次側的高壓會竄到二次側,有了二次側的接地,能確保人員和設備的安全。另外,通過接地,可以給絕緣監視裝置提供相電壓。
二次側的接地方式通常有中性點接地和v相接地兩種,如圖6所示。根據繼電保護等具體要求加以選用。

圖6 電壓互感器二次側的接地方式 說明:圖6(a)中性點接地;圖6(b)v相接地
采用v相接地時,中性點不能再直接接地。為了避免一、二次繞組間絕緣擊穿后,一次側高壓竄入二次側,故在二次側中性點通過一個保護間隙接地。當高壓竄到二次側時,間隙擊穿接地,v相繞組被短接,該相熔斷器會熔斷,起到保護作用。
二次側接地點按規程規定,均應選在主控室保護屏經端子排接地,而在配電裝置處只設置試驗檢修時的安全接地點。
③鐵心接地
在電壓互感器外殼上有一個接地樁頭,這是鐵心和外殼的接地點,起安全保護作用。
