熱電阻測溫原理
熱電阻(如Pt100)是利用其電阻值隨溫度的變化而變化這一原理制成的將溫度量轉換成電阻量的溫度傳感器。
溫度變送器通過給熱電阻施加一已知激勵電流測量其兩端電壓的方法得到電阻值(電壓/電流),再將電阻值轉換成溫度值,從而實現溫度測量。
熱電阻和溫度變送器之間有三種接線方式:二線制、三線制、四線制。
二線制熱電阻
如圖1。溫度變送器通過導線L1、L2給二線制熱電阻施加激勵電流I,測得電勢V1、V2。

圖1 (圖中R為熱電阻,RL1為導線L1的等效電阻,RL2為導線L2的等效電阻)
計算得Rt:
由于連接導線的電阻RL1、RL2無法測得而被計入到熱電阻的電阻值中,使測量結果產生附加誤差。如在100℃時Pt100熱電阻的熱電阻率為0.379Ω/℃,這時若導線的電阻值為2Ω,則會引起的測量誤差為5.3 ℃。二線制熱電阻接入溫度變送器將產生不可預計的測量誤差
三線制熱電阻
三線制是實際應用中最常見的熱電阻接法。如圖2,增加一根導線用以補償連接導線的電阻引起的測量誤差。三線制要求三根導線的材質、線徑、長度一致且工作溫度相同,使三根導線的電阻值相同,即RL1=RL2=RL3。溫度變送器通過導線L1,L2給熱電阻施加激勵電流I,測得電勢V1、V2、V3。導線L3接入高輸入阻抗電路,IL3=0。

圖3 (Rt為熱電阻,RL1為導線L1的等效電阻,RL2為導線L2的等效電阻,RL3導線L3的等效電阻)
三線制熱電阻的阻值Rt:

由此可得三線制熱電阻接入溫度變送器可補償連接導線的電阻引起的測量誤差。
四線制熱電阻
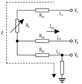
四線制是熱電阻測溫理想的接線方式。如圖3,溫度變送器通過導線L1、L2給熱電阻施加激勵電流I,測得電勢V3、V4。導線L3、L4接入高輸入阻抗電路,IL3=0,IL4=0,因此V4-V3等于熱電阻兩端電壓。

圖3 Rt為熱電阻,RL1為導線L1的等效電阻,RL2為導線L2的等效電阻,RL3導線L3的等效電阻,RL4導線L4的等效電阻
四線制熱電阻的電阻值Rt:

由此可得,四線制熱電阻接入溫度變送器讓溫度測量不受連接導線的電阻的影響。
